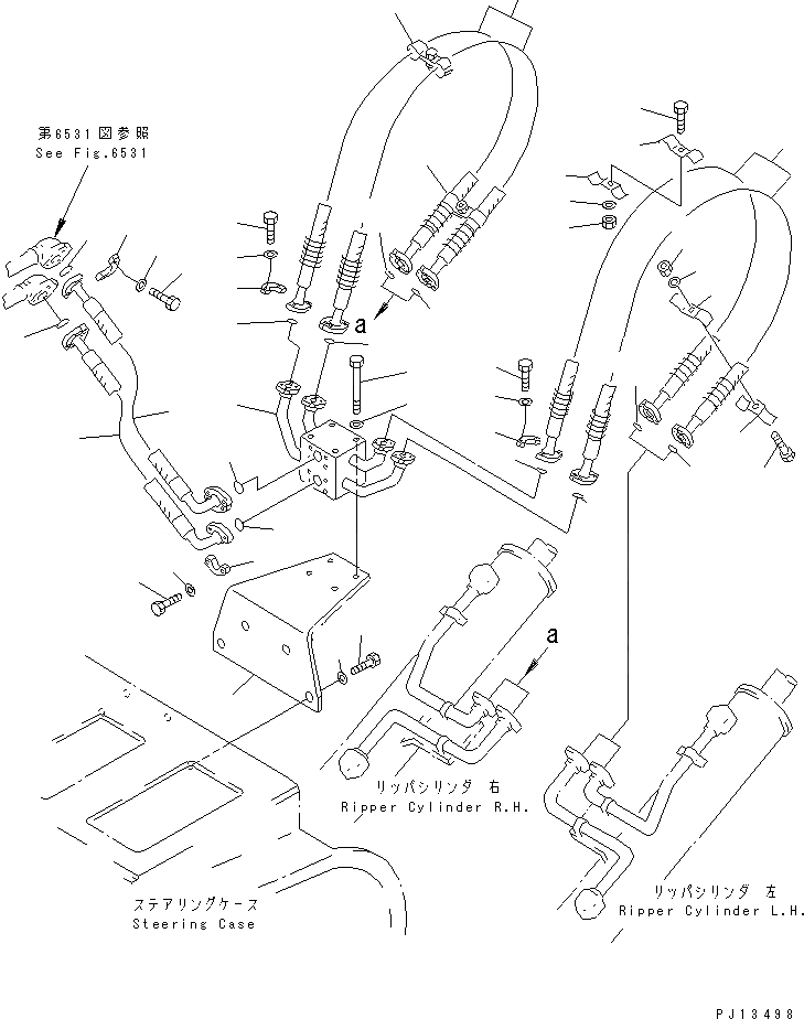
Запчасти Komatsu D85A-21B ЦИЛИНДР РЫХЛИТЕЛЯ ТРУБЫ(№-) РАБОЧЕЕ ОБОРУДОВАНИЕ

Схема запчастей Komatsu D85A-21B - ЦИЛИНДР РЫХЛИТЕЛЯ ТРУБЫ(№-) РАБОЧЕЕ ОБОРУДОВАНИЕ
1
1
2
2
2
2
3
3
4
4
5
5
6
7
8
9
10
11
12
12
13
13
14
14
14
14
14
14
14
14
15
15
16
16
17
17
17
17
17
17
18
18
19
19
20
20
FIT
1:1
100%

Артикул

Название

Примечание

Количество

1

07124-01007

HOSE

SN: 35001-UP

2шт.

2

07000-13032

O-RING

SN: 35001-UP

4шт.

3

07371-31049

FLANGE

SN: 35001-UP

8шт.

4

07372-21030

BOLT

SN: 35001-UP

16шт.

5

01643-51032

WASHER

SN: 35001-UP

16шт.

6

154-78-42190

TUBE

SN: 35001-UP

1шт.

7

01011-51265

BOLT

SN: 35001-UP

4шт.

8

01643-31232

WASHER

SN: 35001-UP

4шт.

9

154-78-42210

BRACKET

SN: 35001-UP

1шт.

10

01010-52050

BOLT

SN: 35001-UP

4шт.

11

01643-32060

WASHER

SN: 35001-UP

4шт.

12

07089-20515

HOSE

SN: 35001-UP

4шт.

13

07371-30500

FLANGE

SN: 35001-UP

16шт.

14

07000-13022

O-RING

SN: 35001-UP

8шт.

15

01010-50830

BOLT

SN: 35001-UP

32шт.

16

01643-50823

WASHER

SN: 35001-UP

32шт.

17

154-78-42130

CLAMP

SN: 35001-UP

8шт.

18

01010-51025

BOLT

SN: 35001-UP

4шт.

19

01643-31032

WASHER

SN: 35001-UP

4шт.

20

01580-11008

NUT

SN: 35001-UP

4шт.

Выбрано товаров: 20