Запчасти Komatsu D85A-21B СИГНАЛ. ЗАДНЕГО ХОДА(№-) КОМПОНЕНТЫ ДВИГАТЕЛЯ И ЭЛЕКТРИКА

Схема запчастей Komatsu D85A-21B - СИГНАЛ. ЗАДНЕГО ХОДА(№-) КОМПОНЕНТЫ ДВИГАТЕЛЯ И ЭЛЕКТРИКА
FIT
1:1
100%

Артикул

Название

Примечание

Количество

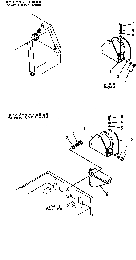
1

175-06-39151

ALARM,BACK-UP

SN: 35001-UP

1шт.

2

08029-05010

WIRE

SN: 35001-UP

1шт.

3

01010-30816

BOLT

SN: 35001-UP

4шт.

4

01602-00825

WASHER,SPRING

SN: 35001-UP

4шт.

5

01643-30823

WASHER

SN: 35001-UP

4шт.

6

154-06-42510

BRACKET

SN: 35001-UP

1шт.

7

01010-51840

BOLT

SN: 35001-UP

2шт.

8

01643-31845

WASHER

SN: 35001-UP

2шт.

Выбрано товаров: 8