Запчасти Komatsu D85A-21B КОРПУС ТЯГОВОЙ ЛЕБЕДКИ (/)(№-) РАБОЧЕЕ ОБОРУДОВАНИЕ

Схема запчастей Komatsu D85A-21B - КОРПУС ТЯГОВОЙ ЛЕБЕДКИ (/)(№-) РАБОЧЕЕ ОБОРУДОВАНИЕ
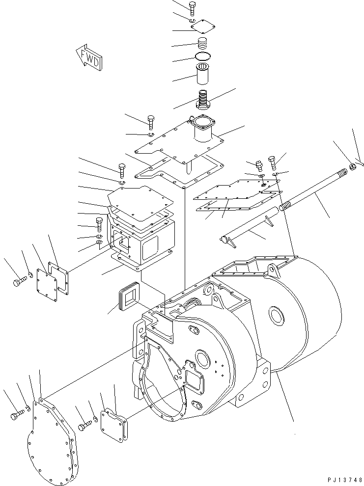
1
2
3
4
5
6
7
8
9
10
11
12
13
14
15
16
17
18
19
20
21
22
23
24
25
26
27
28
29
30
31
32
33
34
35
36
37
38
39
40
41
42
43
44
45
FIT
1:1
100%

Артикул

Название

Примечание

Количество

G-1

0

TOWING WINCH GROUP

SN: 35001-UP

1шт.

|$$2

====================

-1шт.

1

175-916-3812

CASE

SN: 35001-UP

1шт.

2

175-916-3581

COVER

SN: 35001-UP

1шт.

3

175-916-3591

GASKET

SN: 36345-UP

1шт.

3

0

GASKET

SN: 35001-36344

1шт.

4

01010-51230

BOLT

SN: 35001-UP

14шт.

5

01602-21236

WASHER,SPRING

SN: 35001-UP

14шт.

6

175-916-3650

GROMMET

SN: 35001-UP

1шт.

7

175-916-3611

CASE,CONTROL VALVE

SN: 35001-UP

1шт.

8

154-916-4330

COVER

SN: 35001-UP

1шт.

9

154-916-4351

GASKET

SN: 36345-UP

1шт.

9

0

GASKET

SN: 35001-36344

1шт.

10

01010-50820

BOLT

SN: 35001-UP

8шт.

11

01602-20825

WASHER,SPRING

SN: 35001-UP

8шт.

12

175-916-3631

COVER

SN: 35001-UP

1шт.

13

175-916-3641

GASKET

SN: 36345-UP

1шт.

13

0

GASKET

SN: 35001-36344

1шт.

14

01010-51025

BOLT

SN: 35001-UP

8шт.

15

01602-21030

WASHER,SPRING

SN: 35001-UP

8шт.

16

175-916-3621

GASKET

SN: 36345-UP

1шт.

16

0

GASKET

SN: 35001-36344

1шт.

17

01010-51230

BOLT

SN: 35001-UP

8шт.

18

01602-21236

WASHER,SPRING

SN: 35001-UP

8шт.

19

01640-21223

WASHER

SN: 35001-UP

8шт.

20

154-916-4410

COVER

SN: 35001-UP

1шт.

21

175-916-6650

SPRING,STRAINER

SN: 35001-UP

1шт.

22

175-916-3710

COVER

SN: 35001-UP

1шт.

23

07000-03110

O-RING

SN: 35001-UP

1шт.

24

01010-51025

BOLT

SN: 35001-UP

4шт.

25

01602-21030

WASHER,SPRING

SN: 35001-UP

4шт.

26

175-916-8551

GASKET

SN: 36345-UP

1шт.

26

0

GASKET

SN: 35001-36344

1шт.

27

01010-51230

BOLT

SN: 35001-UP

13шт.

28

01602-21236

WASHER,SPRING

SN: 35001-UP

13шт.

29

175-916-3750

COVER

SN: 35001-UP

1шт.

30

07030-03034

BREATHER

SN: 35001-UP

1шт.

31

07003-03036

GASKET

SN: 35001-UP

1шт.

32

175-916-3761

GASKET

SN: 36345-UP

1шт.

32

0

GASKET

SN: 35001-36344

1шт.

33

01010-51230

BOLT

SN: 35001-UP

16шт.

34

01602-21236

WASHER,SPRING

SN: 35001-UP

16шт.

35

175-916-3561

COVER

SN: 35001-UP

1шт.

36

175-916-3571

GASKET

SN: 36345-UP

1шт.

36

0

GASKET

SN: 35001-36344

1шт.

37

01010-51230

BOLT

SN: 35001-UP

4шт.

38

01602-21236

WASHER,SPRING

SN: 35001-UP

4шт.

39

175-916-3740

PIPE

SN: 35001-UP

1шт.

40

175-916-3730

ROD

SN: 35001-UP

1шт.

41

01590-33638

NUT

SN: 35001-UP

2шт.

42

04050-16065

PIN,COTTER

SN: 35001-UP

2шт.

|$51

175-916-0220

STRAINER ASS'Y

SN: 35001-UP

1шт.

43

175-916-6610

SCREEN,UNIT

SN: 35001-UP

1шт.

44

175-916-6621

MAGNET ASS'Y

SN: 35001-UP

1шт.

45

175-916-6631

MAGNET

SN: 35001-UP

4шт.

|$$56

====================

-1шт.

Выбрано товаров: 0