Запчасти Komatsu D85A-21B КОРПУС КОНЕЧН. ПЕРЕДАЧИ И ПРИВОД (/)(№-) ГТР CONVERTOR¤ ТРАНСМИССИЯ¤ РУЛЕВ. УПРАВЛЕНИЕ И КОНЕЧНАЯ ПЕРЕДАЧА

Схема запчастей Komatsu D85A-21B - КОРПУС КОНЕЧН. ПЕРЕДАЧИ И ПРИВОД (/)(№-) ГТР CONVERTOR¤ ТРАНСМИССИЯ¤ РУЛЕВ. УПРАВЛЕНИЕ И КОНЕЧНАЯ ПЕРЕДАЧА
FIT
1:1
100%

Артикул

Название

Примечание

Количество

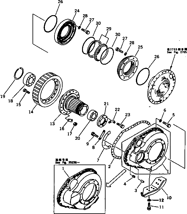
1

154-27-41130

CASE,FINAL DRIVE, L.H.

SN: 35238-UP

1шт.

1

0

CASE,FINAL DRIVE, L.H.

SN: 35001-35237

1шт.

1

154-27-41140

CASE,FINAL DRIVE, R.H.

SN: 35238-UP

1шт.

1

154-27-11123

CASE,FINAL DRIVE, R.H.

SN: 35001-35237

1шт.

2

154-27-11460

GASKET

SN: 36345-UP

2шт.

2

0

GASKET

SN: 35001-36344

2шт.

3

04020-01842

PIN,DOWEL

SN: 35001-UP

4шт.

4

07049-02025

PLUG

SN: 35001-UP

4шт.

5

01010-52050

BOLT

SN: 35001-UP

62шт.

6

01643-32060

WASHER

SN: 35001-UP

62шт.

7

154-27-11410

PLATE

SN: 35001-UP

2шт.

8

175-27-31540

LOCK

SN: 35001-UP

4шт.

9

01010-51220

BOLT

SN: 35001-UP

8шт.

10

154-27-41110

GUARD,L.H.

SN: 35001-UP

1шт.

10

154-27-41120

GUARD,R.H.

SN: 35001-UP

1шт.

11

01010-52045

BOLT

SN: 35001-UP

16шт.

12

01643-32060

WASHER

SN: 35001-UP

16шт.

13

154-27-12122

HUB,SPROCKET

SN: 35001-UP

2шт.

14

154-27-12110

GEAR,FINAL DRIVE

SN: 35001-UP

2шт.

15

175-27-12181

BOLT,REAMER

SN: 35001-UP

32шт.

16

175-27-12190

LOCK

SN: 35001-UP

16шт.

17

01582-02419

NUT

SN: 35001-UP

32шт.

18

150-09-13110

BEARING,ROLLER

SN: 35001-UP

2шт.

19

04071-00250

RING,SNAP

SN: 35001-UP

2шт.

20

170-09-13250

BEARING,ROLLER

SN: 35001-UP

2шт.

21

154-27-12560

RETAINER

SN: 35001-UP

2шт.

22

17027-12210

WASHER,LOCK

SN: 35001-UP

6шт.

23

01010-51440

BOLT

SN: 35001-UP

12шт.

24

154-27-12152

COVER

SN: 35001-UP

2шт.

25

154-27-12162

COVER

SN: 35001-UP

2шт.

26

07000-05410

O-RING

SN: 35001-UP

4шт.

27

01010-51230

BOLT

SN: 35001-UP

40шт.

28

01602-21236

WASHER,SPRING

SN: 35001-UP

40шт.

|$33

423-33-00020

FLOATING SEAL ASS'Y

SN: 35588-UP

2шт.

|$34

0

FLOATING SEAL ASS'Y

SN: 35001-35587

2шт.

29

0

RING,SEAL

SN: 35001-UP

2шт.

30

0

O-RING

SN: 35588-UP

2шт.

30

0

O-RING

SN: 35001-35587

2шт.

Выбрано товаров: 38