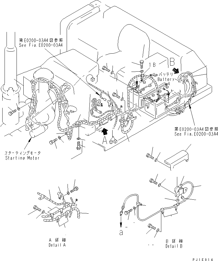
Запчасти Komatsu D85A-21B АККУМУЛЯТОР КАБЕЛЬ И РЕЛЕ (TОБОД КОЛЕСАMING ДЛЯ CHINA)(№78-) ЧАСТИ КОРПУСА

Схема запчастей Komatsu D85A-21B - АККУМУЛЯТОР КАБЕЛЬ И РЕЛЕ (TОБОД КОЛЕСАMING ДЛЯ CHINA)(№78-) ЧАСТИ КОРПУСА
1
1
1A
1A
2
2
3
3
4
4
5
5
6
6
6A
6B
7
7
7
7
7
7
8
8
8
9
9
9
10
10
11
12
13
14
15
16
17
17
17A
18
18
19
19
20
21
22
22
23
24
25
FIT
1:1
100%

Артикул

Название

Примечание

Количество

1

154-06-42190

WIRING HARNESS

SN: 37586-UP

1шт.

1A

08035-03014

CLIP

SN: 37586-UP

3шт.

2

01010-81016

BOLT

SN: 37586-UP

1шт.

3

01643-31032

WASHER

SN: 37586-UP

1шт.

4

154-06-42180

WIRING HARNESS

SN: 37586-UP

1шт.

5

01010-81016

BOLT

SN: 37586-UP

2шт.

6

01643-31032

WASHER

SN: 37586-UP

2шт.

6A

01010-81220

BOLT

SN: 37586-UP

1шт.

6B

01643-31232

WASHER

SN: 37586-UP

1шт.

7

08036-03014

CLIP

SN: 37586-UP

8шт.

8

01010-81220

BOLT

SN: 37586-UP

8шт.

9

01643-31232

WASHER

SN: 37586-UP

8шт.

10

08088-10000

SWITCH

SN: 37586-UP

1шт.

11

01010-80816

BOLT

SN: 37586-UP

2шт.

12

01602-20825

WASHER

SN: 37586-UP

2шт.

13

154-06-36760

COVER

SN: 37586-UP

1шт.

14

01010-80816

BOLT

SN: 37586-UP

2шт.

15

01602-20825

WASHER

SN: 37586-UP

2шт.

16

08038-00035

CAP

SN: 37586-UP

1шт.

17

08038-00518

CAP

SN: 37586-UP

2шт.

17A

7861-93-4400

SENSOR

SN: 37586-UP

2шт.

18

154-06-43130

WIRING HARNESS

SN: 37586-UP

1шт.

19

195-06-41820

CLIP

SN: 37586-UP

1шт.

20

01010-81220

BOLT

SN: 37586-UP

1шт.

21

01643-31232

WASHER

SN: 37586-UP

1шт.

22

08036-01414

CLIP

SN: 37586-UP

3шт.

23

195-06-41830

CLIP

SN: 37586-UP

1шт.

24

01010-81220

BOLT

SN: 37586-UP

1шт.

25

01643-31232

WASHER

SN: 37586-UP

1шт.

Выбрано товаров: 29