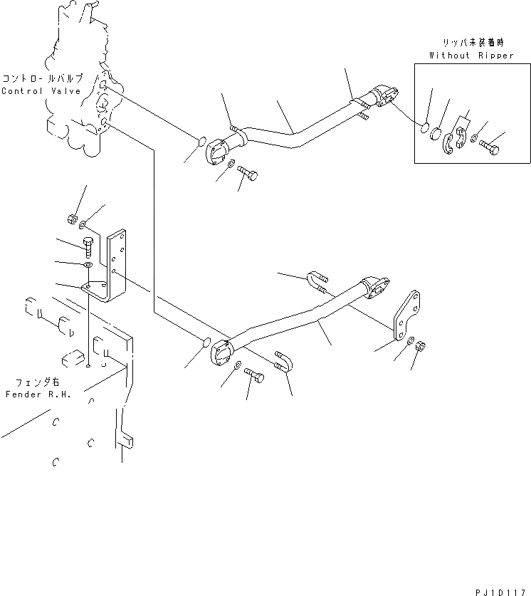
Запчасти Komatsu D85A-21B ГИДРОЛИНИЯ (БАК - ЦИЛИНДР РЫХЛИТЕЛЯ) ЧАСТИ КОРПУСА

Схема запчастей Komatsu D85A-21B - ГИДРОЛИНИЯ (БАК - ЦИЛИНДР РЫХЛИТЕЛЯ) ЧАСТИ КОРПУСА
1
2
3
4
5
6
7
8
9
10
11
12
13
13
13
13
14
14
15
15
16
17
18
19
20
FIT
1:1
100%

Артикул

Название

Примечание

Количество

1

154-78-42410

TUBE

SN: 36537-UP

1шт.

2

01010-81060

BOLT

SN: 36537-UP

4шт.

3

01643-31032

WASHER

SN: 36537-UP

4шт.

4

07000-13035

O-RING

SN: 36537-UP

1шт.

5

154-78-42420

TUBE

SN: 36537-UP

1шт.

6

01010-81060

BOLT

SN: 36537-UP

4шт.

7

01643-31032

WASHER

SN: 36537-UP

4шт.

8

07000-13035

O-RING

SN: 36537-UP

1шт.

9

154-78-42430

BRACKET

SN: 36537-UP

1шт.

10

01010-81235

BOLT

SN: 36537-UP

2шт.

11

01643-31232

WASHER

SN: 36537-UP

2шт.

12

154-78-42440

BRACKET

SN: 36537-UP

1шт.

13

07283-23442

CLIP

SN: 36537-UP

4шт.

14

01599-01011

NUT

SN: 36537-UP

8шт.

15

01643-31032

WASHER

SN: 36537-UP

8шт.

16

07378-11000

HEAD

SN: 36537-UP

2шт.

17

07371-31049

FLANGE

SN: 36537-UP

4шт.

18

07372-21035

BOLT

SN: 36537-UP

8шт.

19

01643-51032

WASHER

SN: 36537-UP

8шт.

20

07000-13032

O-RING

SN: 36537-UP

2шт.

Выбрано товаров: 20