Запчасти Komatsu D85A-21B FВОЗД. LEAD (ДЛЯ ТЯГОВ. ЛЕБЕДКИ) РАБОЧЕЕ ОБОРУДОВАНИЕ

Схема запчастей Komatsu D85A-21B - FВОЗД. LEAD (ДЛЯ ТЯГОВ. ЛЕБЕДКИ) РАБОЧЕЕ ОБОРУДОВАНИЕ
FIT
1:1
100%

Артикул

Название

Примечание

Количество

G-1

0

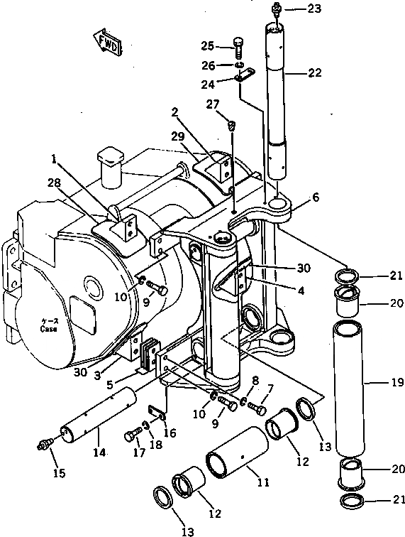
TOWING WINCH GROUP

SN: 36537-UP

1шт.

|$$2

====================

-1шт.

|$3

175-962-0010

FAIR LEAD ASS'Y

SN: 36537-UP

1шт.

1

175-962-1250

BRACKET,UPPER, L.H. (WELDED)

SN: 36537-UP

1шт.

2

175-962-1260

BRACKET,UPPER, R.H. (WELDED)

SN: 36537-UP

1шт.

3

175-962-1230

BRACKET,LOWER, L.H. (WELDED)

SN: 36537-UP

1шт.

4

175-962-1240

BRACKET,LOWER, R.H. (WELDED)

SN: 36537-UP

1шт.

5

175-962-0020

SHIM ASS'Y

SN: 36537-UP

2шт.

5

0

SHIM, 0.4MM

SN: 36537-UP

3шт.

5

0

SHIM, 0.7MM

SN: 36537-UP

2шт.

5

0

SHIM, 1.0MM

SN: 36537-UP

2шт.

5

0

SHIM, 3.0MM

SN: 36537-UP

1шт.

6

175-962-1110

FRAME

SN: 36537-UP

1шт.

7

01010-62475

BOLT

SN: 36537-UP

2шт.

8

01602-02472

WASHER,SPRING

SN: 36537-UP

2шт.

9

01010-62480

BOLT

SN: 36537-UP

6шт.

10

01602-02470

WASHER,SPRING

SN: 36537-UP

6шт.

11

175-962-1130

ROLLER

SN: 36537-UP

2шт.

12

175-962-1160

BUSHING

SN: 36537-UP

4шт.

13

175-962-1170

WASHER

SN: 36537-UP

4шт.

14

175-962-1150

SHAFT

SN: 36537-UP

2шт.

15

07020-00000

FITTING,GREASE

SN: 36537-UP

8шт.

16

04082-00609

LOCK

SN: 36537-UP

2шт.

17

01010-61635

BOLT

SN: 36537-UP

4шт.

18

01602-01648

WASHER,SPRING

SN: 36537-UP

4шт.

19

175-962-1120

ROLLER

SN: 36537-UP

2шт.

20

175-962-1160

BUSHING

SN: 36537-UP

4шт.

21

175-962-1170

WASHER

SN: 36537-UP

4шт.

22

175-962-1140

SHAFT

SN: 36537-UP

2шт.

23

07020-00000

FITTING,GREASE

SN: 36537-UP

8шт.

24

04082-00609

LOCK

SN: 36537-UP

2шт.

25

01010-61635

BOLT

SN: 36537-UP

4шт.

26

01602-01648

WASHER,SPRING

SN: 36537-UP

4шт.

27

07049-03038

PLUG,BLIND

SN: 36537-UP

1шт.

28

175-962-1280

PLATE,UPPER, L.H. (WELDED)

SN: 36537-UP

1шт.

29

175-962-1290

PLATE,UPPER, R.H. (WELDED)

SN: 36537-UP

1шт.

30

175-962-1270

PLATE,LOWER (WELDED)

SN: 36537-UP

2шт.

|$$38

====================

-1шт.

Выбрано товаров: 38