Запчасти Komatsu D85E-18 ЭЛЕКТРИКА (/) КОМПОНЕНТЫ ДВИГАТЕЛЯ И ЭЛЕКТРИКА

Схема запчастей Komatsu D85E-18 - ЭЛЕКТРИКА (/) КОМПОНЕНТЫ ДВИГАТЕЛЯ И ЭЛЕКТРИКА
FIT
1:1
100%

Артикул

Название

Примечание

Количество

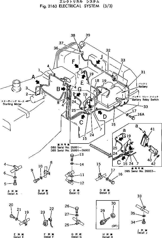
1

154-06-36571

WIRE ASS'Y

SN: 25001-UP

1шт.

2

154-06-13130

CAP

SN: 25001-UP

1шт.

3

140-06-18260

CAP

SN: 29688-UP

1шт.

3

0

CAP

SN: 25001-29687

1шт.

4

08035-03010

CLIP

SN: 25001-UP

4шт.

5

01010-51016

BOLT

SN: 25001-UP

4шт.

6

01643-31032

WASHER

SN: 31102-UP

4шт.

6

0

WASHER,SPRING

SN: 25001-31101

4шт.

7

154-06-36682

WIRE ASS'Y

SN: 25003-UP

1шт.

7

154-06-36681

WIRE ASS'Y

SN: 25001-25002

1шт.

8

08035-02510

CLIP

SN: 25001-31101

2шт.

9

01010-51016

BOLT

SN: 25001-UP

1шт.

10

01643-31032

WASHER

SN: 31102-UP

1шт.

10

0

WASHER,SPRING

SN: 25001-31101

1шт.

11

08035-03010

CLIP

SN: 25001-UP

1шт.

12

08035-02510

CLIP

SN: 25001-UP

1шт.

13

01010-51016

BOLT

SN: 25001-UP

1шт.

14

01643-31032

WASHER

SN: 31102-UP

1шт.

14

0

WASHER,SPRING

SN: 25001-31101

1шт.

15

08035-01510

CLIP

SN: 25001-UP

3шт.

16

01010-51016

BOLT

SN: 25001-UP

2шт.

16A

01010-51020

BOLT

SN: 25001-UP

1шт.

17

01643-31032

WASHER

SN: 31102-UP

3шт.

17

0

WASHER,SPRING

SN: 25001-31101

3шт.

18

154-06-36630

WIRE ASS'Y

SN: 25001-UP

1шт.

19

08035-01510

CLIP

SN: 25001-UP

5шт.

20

01010-51016

BOLT

SN: 25001-UP

5шт.

21

01643-31032

WASHER

SN: 31102-UP

5шт.

21

0

WASHER,SPRING

SN: 25001-31101

5шт.

22

195-06-23190

CAP

SN: 26001-UP

1шт.

22

22-403807-01

CAP

SN: 25001-26000

1шт.

23

08064-10000

HORN SWITCH,FORN

SN: 25001-UP

1шт.

24

154-06-36691

WIRE ASS'Y

SN: 26003-UP

1шт.

24

154-06-36690

WIRE ASS'Y

SN: 25001-26002

1шт.

25

08035-01510

CLIP

SN: 25001-UP

2шт.

26

01010-51016

BOLT

SN: 25001-UP

2шт.

27

01643-31032

WASHER

SN: 31102-UP

2шт.

27

0

WASHER,SPRING

SN: 25001-31101

2шт.

29

08074-70000

SWITCH (OP)

SN: 29175-UP

1шт.

29

0

SWITCH (OP)

SN: 25001-29174

1шт.

30

01583-01811

NUT (OP)

SN: 25001-UP

1шт.

31

154-06-36610

WIRE ASS'Y

SN: 25001-UP

1шт.

32

154-06-36620

WIRE ASS'Y

SN: 25001-UP

1шт.

33

08035-01510

CLIP

SN: 25001-UP

5шт.

34

01010-51016

BOLT

SN: 25001-UP

5шт.

35

01643-31032

WASHER

SN: 31102-UP

5шт.

35

0

WASHER,SPRING

SN: 25001-31101

5шт.

36

08037-02512

GROMMET

SN: 25001-UP

1шт.

37

08035-01514

CLIP

SN: 25001-UP

1шт.

38

154-06-31160

WIRE

SN: 25001-UP

1шт.

39

08128-32400

LAMP

SN: 25001-UP

1шт.

39

08113-02480

BULB, 80W

SN: 25001-UP

1шт.

40

154-06-36860

BRACKET

SN: 25000-25000

1шт.

41

113-06-23250

SWITCH

SN: 25000-25000

1шт.

42

01643-31445

WASHER

SN: 25000-25000

1шт.

Выбрано товаров: 55