Запчасти Komatsu D85E-18 КРЫШКАAND КЛАПАН РЫЧАГ УПРАВЛ-Я(№-) ОСНОВН. МУФТА¤ ГИДРОТРАНСФОРМАТОР И ТРАНСМИССИЯ

Схема запчастей Komatsu D85E-18 - КРЫШКАAND КЛАПАН РЫЧАГ УПРАВЛ-Я(№-) ОСНОВН. МУФТА¤ ГИДРОТРАНСФОРМАТОР И ТРАНСМИССИЯ
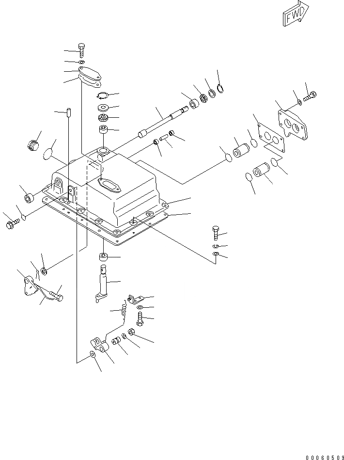
1
2
3
4
5
6
6
7
8
9
10
11
12
13
14
15
16
17
18
19
20
21
22
23
24
25
25
26
27
28
29
30
31
32
33
34
35
36
37
38
38
39
39
39
39
40
41
42
43
44
45
46
47
FIT
1:1
100%

Артикул

Название

Примечание

Количество

|$0

154-15-00017

TRANSMISSION ASS'Y

SN: 31102-UP

1шт.

|$$2

THIS ASSEMBLY CONSISTS OF ALL PARTS SHOWN IN FIGS.2251 TO 2263A.

-1шт.

|$2

155-15-00392

COVER ASS'Y

SN: 29713-UP

1шт.

1

175-15-45512

COVER

SN: 31102-UP

1шт.

2

01010-81030

BOLT

SN: 31102-UP

4шт.

3

07040-15223

PLUG

SN: 25001-UP

1шт.

4

07002-05234

O-RING (KIT)

SN: 25001-UP

1шт.

5

175-15-45560

LEVER

SN: 25001-UP

1шт.

6

06120-02016

BEARING

SN: 25001-UP

1шт.

7

144-15-29110

SEAL,OIL (KIT)

SN: 25001-UP

1шт.

8

175-15-45570

WASHER

SN: 25001-UP

1шт.

9

04064-01812

RING,SNAP

SN: .-UP

1шт.

10

175-15-45610

SHAFT

SN: 25001-UP

1шт.

11

06120-02016

BEARING

SN: 25001-UP

1шт.

12

06121-02016

BEARING

SN: 25001-UP

1шт.

13

144-15-29110

SEAL,OIL (KIT)

SN: 25001-UP

1шт.

14

175-15-45570

WASHER

SN: 25001-UP

1шт.

15

04064-01812

RING,SNAP

SN: .-UP

1шт.

16

175-15-45620

STOPPER

SN: 25001-UP

1шт.

17

04050-03040

PIN,COTTER (KIT)

SN: 25001-UP

1шт.

18

175-15-45630

LEVER

SN: 25001-UP

1шт.

19

125-15-11530

BOLT

SN: 25001-UP

1шт.

20

04059-01010

WIRE (KIT)

SN: 25001-UP

1шт.

21

175-15-45650

BOLT

SN: 25001-UP

1шт.

22

07002-01223

O-RING (KIT)

SN: 25001-UP

1шт.

23

175-15-45660

WASHER

SN: 25001-UP

2шт.

24

175-15-45690

LEVER

SN: 25001-UP

1шт.

25

144-15-29121

BEARING

SN: 31102-UP

2шт.

26

144-15-25690

PIN

SN: 25001-UP

1шт.

27

175-15-45670

SLEEVE

SN: 25001-UP

1шт.

28

01643-31032

WASHER

SN: .-UP

1шт.

29

01580-11008

NUT

SN: 25001-UP

1шт.

30

175-15-45710

SPRING

SN: 25001-UP

1шт.

31

175-15-45780

BRACKET

SN: 25001-UP

1шт.

32

01010-81020

BOLT

SN: 25001-UP

2шт.

33

01643-31032

WASHER

SN: .-UP

2шт.

34

175-15-45750

PLATE

SN: 25001-UP

1шт.

35

175-15-45761

GASKET (KIT)

SN: 25001-UP

1шт.

36

01010-81020

BOLT

SN: 25001-UP

2шт.

37

01643-31032

WASHER

SN: .-UP

2шт.

38

175-15-45550

SLEEVE

SN: 25001-UP

2шт.

39

07000-73028

O-RING (KIT)

SN: 25001-UP

4шт.

40

175-15-45530

COVER

SN: 25001-UP

1шт.

41

154-15-45540

GASKET (KIT)

SN: 31102-UP

1шт.

42

01643-31032

WASHER

SN: .-UP

4шт.

43

04020-01024

PIN,DOWEL

SN: 29713-UP

2шт.

44

175-15-45522

GASKET (KIT)

SN: 31102-UP

1шт.

45

01010-81025

BOLT

SN: 25001-UP

14шт.

46

01602-21030

WASHER,SPRING

SN: 25001-UP

14шт.

47

01640-21016

WASHER

SN: 25001-UP

14шт.

Выбрано товаров: 50