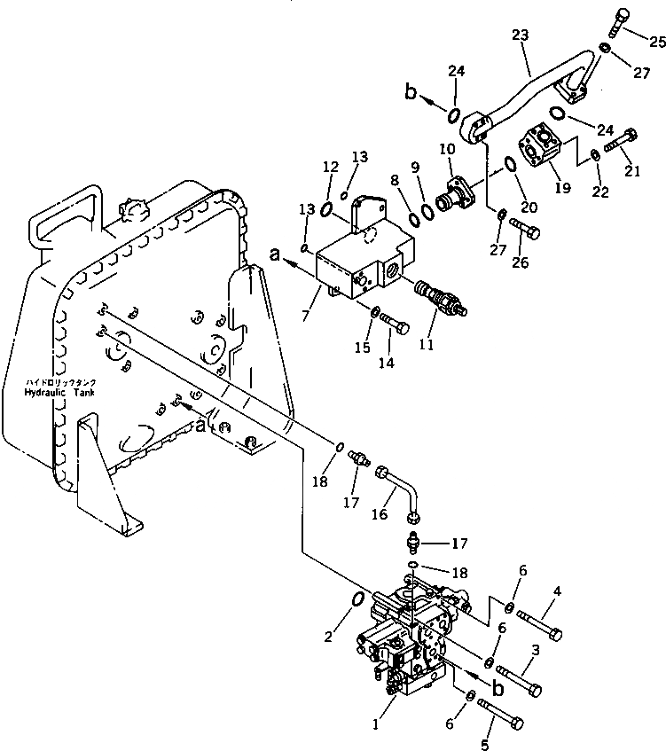
Запчасти Komatsu D85E-21 РАБОЧЕЕ ОБОРУДОВАНИЕ КЛАПАН КРЕПЛЕНИЕ(№-) УПРАВЛ-Е РАБОЧИМ ОБОРУДОВАНИЕМ

Схема запчастей Komatsu D85E-21 - РАБОЧЕЕ ОБОРУДОВАНИЕ КЛАПАН КРЕПЛЕНИЕ(№-) УПРАВЛ-Е РАБОЧИМ ОБОРУДОВАНИЕМ
FIT
1:1
100%

Артикул

Название

Примечание

Количество

G-1

0

VALVE GROUP

SN: 35001-UP

1шт.

|$$2

====================

-1шт.

1

709-62-31103

VALVE ASS'Y

SN: 35001-UP

1шт.

1

0

VALVE ASS'Y

SN: (36019-.)

1шт.

1

0

VALVE ASS'Y

SN: (35001-36018)

1шт.

2

07000-03038

O-RING

SN: 35001-UP

1шт.

3

01011-51215

BOLT

SN: 35001-UP

1шт.

4

01011-51235

BOLT

SN: 35001-UP

1шт.

5

01011-51280

BOLT

SN: 35001-UP

1шт.

6

01643-31232

WASHER

SN: 35001-UP

3шт.

|$$11

====================

-1шт.

G-2

0

VALVE GROUP

SN: 35001-UP

1шт.

|$$13

====================

-1шт.

|$13

154-60-71300

RELIEF VALVE ASS'Y

SN: 35001-UP

1шт.

7

154-60-71350

BLOCK

SN: 35001-UP

1шт.

8

07000-03035

O-RING

SN: 35001-UP

1шт.

9

07000-13032

O-RING

SN: 35001-UP

1шт.

10

700-91-11650

FLANGE

SN: 35001-UP

1шт.

11

709-90-51500

VALVE ASS'Y

SN: 35001-UP

1шт.

12

07000-03035

O-RING

SN: 35001-UP

1шт.

13

07000-02011

O-RING

SN: 35001-UP

2шт.

14

01010-51230

BOLT

SN: 35001-UP

3шт.

15

01643-31232

WASHER

SN: 35001-UP

3шт.

|$$24

====================

-1шт.

G-3

0

PIPING GROUP

SN: 35001-UP

1шт.

|$$26

====================

-1шт.

16

154-60-71220

TUBE

SN: 35001-UP

1шт.

17

07230-20210

UNION

SN: 35001-UP

2шт.

18

07002-01423

O-RING

SN: 35001-UP

2шт.

19

154-60-71240

ELBOW

SN: 35001-UP

1шт.

20

07000-13035

O-RING

SN: 35001-UP

1шт.

21

01010-51080

BOLT

SN: 35001-UP

4шт.

22

01643-51032

WASHER

SN: 35001-UP

4шт.

23

154-60-71230

TUBE

SN: 35001-UP

1шт.

24

07000-13035

O-RING

SN: 35001-UP

2шт.

25

07372-21040

BOLT

SN: 35001-UP

4шт.

26

01010-51060

BOLT

SN: 35001-UP

4шт.

27

01643-51032

WASHER

SN: 35001-UP

8шт.

|$$39

====================

-1шт.

Выбрано товаров: 39