Запчасти Komatsu D85E-SS-2-E ТЯГОВ. ЛЕБЕДКА (КОРПУС) РАБОЧЕЕ ОБОРУДОВАНИЕ

Схема запчастей Komatsu D85E-SS-2-E - ТЯГОВ. ЛЕБЕДКА (КОРПУС) РАБОЧЕЕ ОБОРУДОВАНИЕ
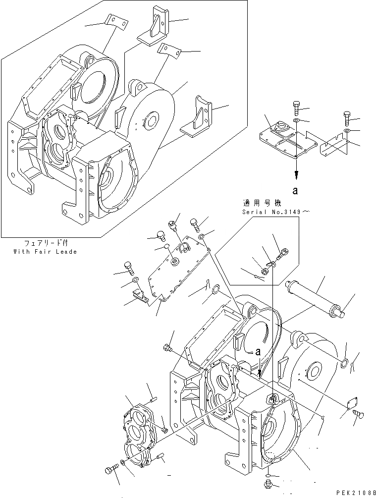
1
2
2
3
4
5
6
6
7
8
9
9
10
11
12
13
14
15
16
17
18
19
20
21
22
23
24
25
26
27
28
29
29
30
31
31
32
32
33
34
35
36
37
FIT
1:1
100%

Артикул

Название

Примечание

Количество

1

07043-00108

PLUG

SN: 3034-UP

1шт.

2

04020-01228

PIN

SN: 3034-UP

2шт.

3

14X-960-3850

COVER

SN: 3034-UP

1шт.

4

01010-81245

BOLT

SN: 3034-UP

11шт.

5

01643-31232

WASHER

SN: 3034-UP

11шт.

6

134-960-1610

CASE ASS'Y

SN: 4116-UP

1шт.

|6

14X-960-3813

CASE ASS'Y

SN: 3149-4115

1шт.

|6

14X-960-3812

CASE ASS'Y

SN: 3034-3148

1шт.

|6

14X-960-8212

CASE,(WITH FAIR LEAD)

SN: 3149-UP

1шт.

|6

14X-960-8211

CASE,(WITH FAIR LEAD)

SN: 3034-3148

1шт.

7

14X-960-8221

BRACKET,L.H. (WITH FAIR LEAD)

SN: 3149-UP

1шт.

|7

14X-960-8220

BRACKET,L.H. (WITH FAIR LEAD)

SN: 3034-3148

1шт.

8

14X-960-8231

BRACKET,R.H. (WITH FAIR LEAD)

SN: 3149-UP

1шт.

|8

14X-960-8230

BRACKET,R.H. (WITH FAIR LEAD)

SN: 3034-3148

1шт.

9

14X-960-8240

PLATE,(WITH FAIR LEAD)

SN: 3034-UP

2шт.

10

07044-13620

PLUG

SN: 3034-UP

1шт.

11

07002-03634

O-RING

SN: 3034-UP

1шт.

12

144-916-1820

PLUG

SN: 3034-UP

1шт.

13

07043-00108

PLUG

SN: 3034-UP

1шт.

14

09601-00835

PLATE¤ NAME,(LIMITED SUPPLY)

SN: 3034-UP

1шт.

15

04418-13060

SCREW

SN: 3034-UP

4шт.

16

14X-960-3751

COVER

SN: 3149-UP

1шт.

|16

14X-960-3750

COVER

SN: 3034-3148

1шт.

17

01010-81230

BOLT

SN: 3034-UP

12шт.

18

01643-31232

WASHER

SN: 3034-UP

12шт.

19

07040-13618

PLUG

SN: 3034-UP

1шт.

20

07002-03634

O-RING

SN: 3034-UP

1шт.

21

07030-00252

BREATHER

SN: 3034-UP

1шт.

22

14X-960-6450

BRACKET

SN: 4116-UP

1шт.

|22

134-960-2470

BRACKET

SN: 4110-4115

1шт.

|22

14X-960-6450

BRACKET

SN: 3149-4109

1шт.

|22

14W-960-7190

BRACKET

SN: 3034-3148

1шт.

23

01010-81235

BOLT

SN: 3034-UP

2шт.

24

01643-31232

WASHER

SN: 3034-UP

2шт.

25

14X-960-3871

COVER

SN: 4027-UP

1шт.

|25

14X-960-3870

COVER

SN: 3034-4026

1шт.

26

14W-960-7220

BRACKET

SN: 3034-UP

1шт.

27

01010-81235

BOLT

SN: 3034-UP

8шт.

28

01010-81260

BOLT

SN: 3034-UP

2шт.

29

01643-31232

WASHER

SN: 3034-UP

10шт.

30

14X-960-3731

BAR

SN: 3034-UP

1шт.

31

176-43-54481

WASHER

SN: 3034-UP

2шт.

32

04050-00060

PIN,COTTER

SN: 3034-UP

2шт.

33

14X-960-3990

COLLAR

SN: 3034-UP

1шт.

34

09249-00016

LATCH

SN: 3149-UP

1шт.

35

01052-31260

BOLT

SN: 3149-UP

1шт.

36

01592-11215

NUT

SN: 3149-UP

1шт.

37

04050-13025

PIN

SN: 3149-UP

1шт.

Выбрано товаров: 48