Запчасти Komatsu D85E-SS-2 ТЯГОВ. ЛЕБЕДКА (КЛАПАН¤ INCHING И МУФТА СЕКЦ.)(№-) РАБОЧЕЕ ОБОРУДОВАНИЕ

Схема запчастей Komatsu D85E-SS-2 - ТЯГОВ. ЛЕБЕДКА (КЛАПАН¤ INCHING И МУФТА СЕКЦ.)(№-) РАБОЧЕЕ ОБОРУДОВАНИЕ
FIT
1:1
100%

Артикул

Название

Примечание

Количество

|1

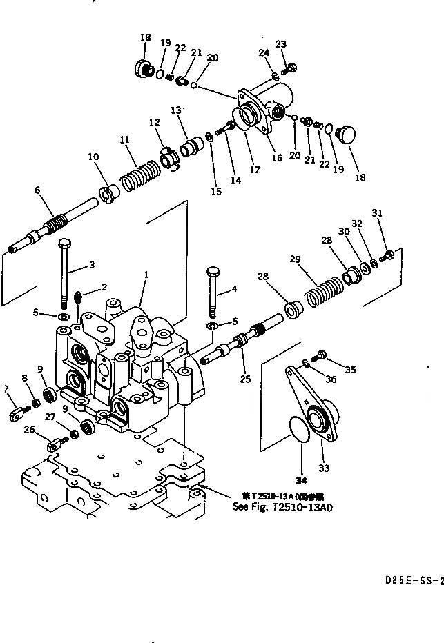
14X-960-0010

CONTROL VALVE ASS'Y

SN: 3001-UP

1шт.

|$$2

THIS ASSEMBLY CONSISTS OF ALL PARTS SHOWN IN FIGS.T2510LC AND T2510MC.

-1шт.

1

0

BODY,VALVE

SN: 3001-UP

1шт.

2

07042-20108

PLUG

SN: 3001-UP

8шт.

3

01011-51030

BOLT

SN: 3001-UP

2шт.

4

01010-51080

BOLT

SN: 3001-UP

3шт.

5

01602-21030

WASHER,SPRING

SN: 3001-UP

5шт.

6

14X-960-5121

SPOOL

SN: 3001-UP

1шт.

7

15B-960-5330

YOKE

SN: 3001-UP

1шт.

8

01580-10806

NUT

SN: 3001-UP

1шт.

9

113-15-29110

SEAL,OIL

SN: 3001-UP

2шт.

10

175-916-4130

COLLAR

SN: 3001-UP

1шт.

11

175-916-4140

SPRING

SN: 3001-UP

1шт.

12

175-916-4150

STOPPER

SN: 3001-UP

1шт.

13

14X-960-5140

DETENT

SN: 3001-UP

1шт.

14

01010-50835

BOLT

SN: 3001-UP

1шт.

15

01643-50823

WASHER

SN: 3001-UP

1шт.

16

15B-960-5230

COVER

SN: 3001-UP

1шт.

17

07000-73035

O-RING

SN: 3001-UP

1шт.

18

175-916-4180

PLUG

SN: 3001-UP

2шт.

19

07000-72015

O-RING

SN: 3001-UP

2шт.

20

04260-00793

BALL

SN: 3001-UP

2шт.

21

701-33-31330

GUIDE

SN: 3001-UP

2шт.

22

709-62-31180

SPRING

SN: 3001-UP

2шт.

23

01010-50820

BOLT

SN: 3001-UP

2шт.

24

01602-20825

WASHER,SPRING

SN: 3001-UP

2шт.

25

14X-960-5131

SPOOL

SN: 3001-UP

1шт.

26

15B-960-5330

YOKE

SN: 3001-UP

1шт.

27

01580-10806

NUT

SN: 3001-UP

1шт.

28

175-916-4210

COLLAR

SN: 3001-UP

2шт.

29

14X-960-5110

SPRING

SN: 3001-UP

1шт.

30

175-916-4230

WASHER

SN: 3001-UP

1шт.

31

01010-50816

BOLT

SN: 3001-UP

1шт.

32

01643-50823

WASHER

SN: 3001-UP

1шт.

33

15B-960-5240

COVER

SN: 3001-UP

1шт.

34

07000-73048

O-RING

SN: 3001-UP

1шт.

35

01010-50820

BOLT

SN: 3001-UP

3шт.

36

01602-20825

WASHER,SPRING

SN: 3001-UP

3шт.

Выбрано товаров: 38