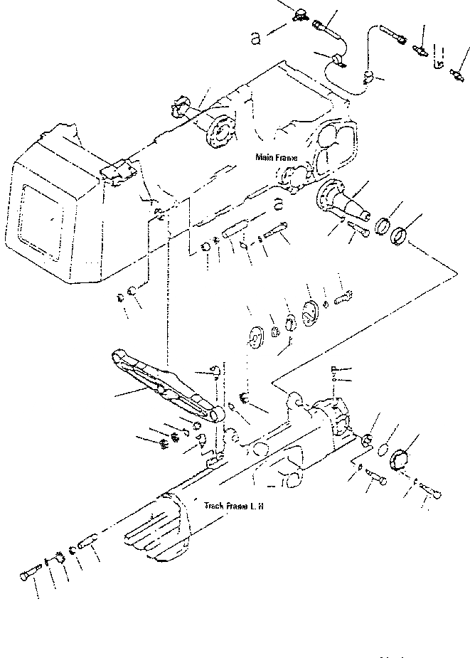
Запчасти Komatsu D85E-SS-2 БАЛКА БАЛАНСИРА И ПОВОРОТН. ШКВОРЕНЬ ОСНОВН. РАМА И КОМПОНЕНТЫ

Схема запчастей Komatsu D85E-SS-2 - БАЛКА БАЛАНСИРА И ПОВОРОТН. ШКВОРЕНЬ ОСНОВН. РАМА И КОМПОНЕНТЫ
38
39
40
42
44
43
3
4
25
26
24
22
20
16
18
20
1
37
36
36
34
23
35
1
2
5
13
14
6
10
9
41
32
17
8
7
12
11
31
30
27
25
26
33
21
32
17
16
15
19
FIT
1:1
100%

Артикул

Название

Примечание

Количество

|$1

14Y-30-00210

PIVOT ASS'Y

Field_1: J10001-

2шт.

1

14Y-30-17111

SHAFT

Field_1: J10001-

1шт.

2

14Y-30-18160

RING

Field_1: J10001-

1шт.

3

01010-82075

BOLT

Field_1: J10001-

24шт.

4

01643-32060

WASHER

Field_1: J10001-

24шт.

5

14Y-30-18150

SEAL

Field_1: J10001-

2шт.

6

14Y-30-18121

SPACER

Field_1: J10001-

2шт.

7

01010-82055

BOLT

Field_1: J10001-

8шт.

8

01643-32060

WASHER

Field_1: J10001-

8шт.

9

14Y-30-18111

COVER

Field_1: J10001-

2шт.

10

07000-02145

O-RING

Field_1: J10001-

2шт.

11

01010-82055

BOLT

Field_1: J10001-

8шт.

12

01643-32060

WASHER

Field_1: J10001-

8шт.

13

07040-12414

PLUG

Field_1: J10001-

2шт.

14

07002-02434

O-RING

Field_1: J10001-

2шт.

|$16

14Y-50-00011

EQUALIZER BAR ASS'Y

Field_1: J10001-J10240

1шт.

|$17

14Y-50-00012

EQUALIZER BAR ASS'Y

Field_1: J10241-

1шт.

15

0

EQUALIZER BAR

Field_1: J10001-

1шт.

16

14Y-50-11220

BUSHING

Field_1: J10001-J10240

2шт.

|$20

14Y-50-11250

BUSHING

Field_1: J10241-

2шт.

17

04065-09030

SNAP RING

Field_1: J10001-

4шт.

18

14Y-50-11460

BUSHING

Field_1: J10001-

2шт.

19

07020-00675

FITTING

Field_1: J10001-

2шт.

20

130-09-12911

DUST SEAL

Field_1: J10001-

2шт.

21

14Y-50-11323

SEAL

Field_1: J10001-

4шт.

22

14Y-50-11240

PIN

Field_1: J10001-

1шт.

23

07020-00000

FITTING

Field_1: J10001-

1шт.

24

14Y-50-11390

LOCK

Field_1: J10001-

1шт.

25

01010-81640

BOLT

Field_1: J10001-

2шт.

26

01643-31645

WASHER

Field_1: J10001-

2шт.

27

14X-50-12110

COVER

Field_1: J10001-

2шт.

28

01010-81230

BOLT

Field_1: J10001-

8шт.

29

01643-51232

WASHER

Field_1: J10001-

8шт.

30

14Y-50-11421

BUSHING

Field_1: J10001-

4шт.

31

14Y-50-11314

PIN

Field_1: J10001-J10702

2шт.

|$36

14Y-50-11530

PIN

Field_1: J10703-

2шт.

32

14Y-50-11323

SEAL

Field_1: J10001-

2шт.

33

07020-00675

FITTING

Field_1: J10001-

2шт.

34

208-06-11220

NIPPLE

Field_1: J10241-

1шт.

35

21Y-70-14580

HOSE

Field_1: J10001-

1шт.

36

04434-51312

CLIP

Field_1: J10001-

1шт.

37

203-62-42920

ELBOW

Field_1: J10001-

1шт.

38

14Y-50-11551

PLATE

Field_1: J10703-

2шт.

39

14Y-50-11540

COVER

Field_1: J10703-

2шт.

40

14Y-50-11510

STOPPER

Field_1: J10703-

2шт.

41

04022-08025

PIN

Field_1: J10703-

4шт.

42

14Y-50-11561

COVER

Field_1: J10703-

2шт.

43

01011-81235

BOLT

Field_1: J10703-

6шт.

44

01643-31232

WASHER

Field_1: J10703-

6шт.

Выбрано товаров: 49