Запчасти Komatsu D85E-SS-2A-E МУФТА И ТОРМОЗ. (КЛАПАН) (/)(№-) СИЛОВАЯ ПЕРЕДАЧА И КОНЕЧНАЯ ПЕРЕДАЧА

Схема запчастей Komatsu D85E-SS-2A-E - МУФТА И ТОРМОЗ. (КЛАПАН) (/)(№-) СИЛОВАЯ ПЕРЕДАЧА И КОНЕЧНАЯ ПЕРЕДАЧА
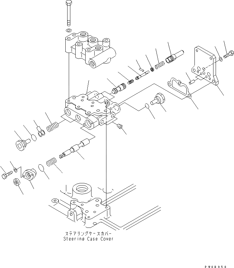
1
2
3
4
5
5
6
6
7
8
9
10
11
12
13
14
15
16
17
18
19
20
21
22
23
24
25
FIT
1:1
100%

Артикул

Название

Примечание

Количество

|1

14X-40-23000

VALVE ASS'Y

SN: 4001-UP

1шт.

1

134-40-61110

BODY

SN: 4001-UP

1шт.

2

07043-70211

PLUG

SN: 4001-UP

2шт.

3

14Z-40-11610

SPOOL

SN: 4001-UP

1шт.

4

565-62-11270

SPRING

SN: 4001-UP

1шт.

5

14Z-40-11360

PLUG

SN: 4001-UP

3шт.

6

07002-32434

O-RING

SN: 4001-UP

3шт.

7

14Z-40-11220

COVER

SN: 4001-UP

1шт.

8

113-15-29110

SEAL

SN: 4001-UP

1шт.

9

01010-80620

BOLT

SN: 4001-UP

2шт.

10

01643-30623

WASHER

SN: 4001-UP

2шт.

11

07002-33034

O-RING

SN: 4001-UP

1шт.

12

134-40-61141

GUIDE

SN: 4001-UP

2шт.

13

14Z-40-11330

SHAFT

SN: 4001-UP

2шт.

14

04025-00316

PIN

SN: 4001-UP

2шт.

15

14Z-40-11340

GUIDE

SN: 4001-UP

2шт.

16

195-40-31540

PISTON

SN: 4001-UP

2шт.

17

14Z-40-11310

VALVE

SN: 4001-UP

2шт.

18

14Z-40-11380

SPRING

SN: 4001-UP

2шт.

19

14Z-40-11371

SPRING

SN: 4001-UP

2шт.

20

14Z-40-11350

SHIM¤ 0.05MM

SN: 4001-UP

8шт.

21

134-40-61151

PLATE

SN: 4001-UP

1шт.

22

134-40-61170

GASKET

SN: 4001-UP

1шт.

23

04020-00820

PIN

SN: 4001-UP

2шт.

24

01010-81030

BOLT

SN: 4001-UP

1шт.

25

01643-31032

WASHER

SN: 4001-UP

1шт.

Выбрано товаров: 0