Качественные детали и логистика
Оригинальные и аналоговые запчасти с доставкой по России, Казахстану и Беларуси
©2022 PartSell ООО "Система" ИНН 2463123282 ОГРН 1212400004838
Центральный офис: г. Красноярск, Академика Киренского, д.87, пом.4
Телефон: 8 (800) 777-65-74 Email: zakaz@partsell.ru
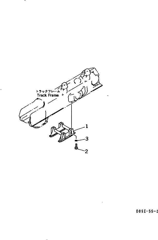
ЗАЩИТА КАТКОВ(№-)
№
Артикул
Название
Примечание
Количество
1
14X-30-16143
GUARD
SN: 3018-UP
2шт.
|1
14Y-30-16142
SN: 3001-3017
2
01010-51845
BOLT
SN: 3001-UP
8шт.
3
01643-31845
WASHER
Выбрано товаров: 0