Запчасти Komatsu D85E-SS-2A МАРКИРОВКА (CHINESS)(№-) МАРКИРОВКА

Схема запчастей Komatsu D85E-SS-2A - МАРКИРОВКА (CHINESS)(№-) МАРКИРОВКА
FIT
1:1
100%

Артикул

Название

Примечание

Количество

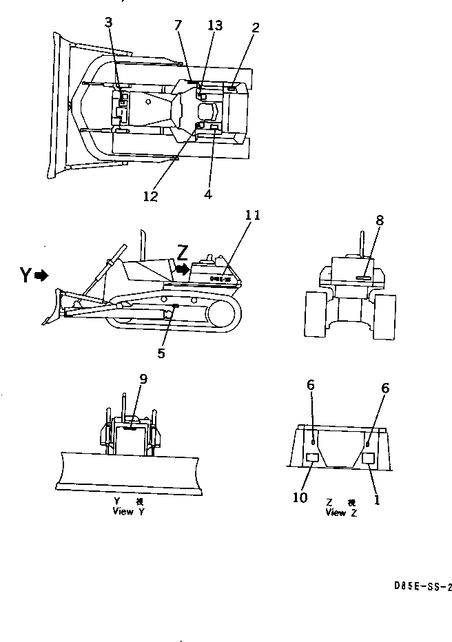
1

14U-98-11170

CHART¤ OIL

SN: 3001-UP

1шт.

2

14X-98-12520

PLATE¤ SAFETY,OPERATING OIL TANK

SN: 3001-UP

1шт.

3

14X-98-12530

PLATE¤ SAFETY,RADIATOR

SN: 3001-UP

1шт.

4

14X-98-12540

PLATE¤ CAUTION,BEFORE AND AFTER OPERATION

SN: 3001-UP

1шт.

5

14X-98-12550

PLATE¤ SAFETY,ADJUSTING TRACK SHOE

SN: 3001-UP

2шт.

6

14X-98-11170

PLATE¤ OPERATING,LOCK

SN: 3001-UP

2шт.

7

14X-98-12570

PLATE,PRESSURE TEST (C AND B)

SN: 3001-UP

1шт.

8

09690-C0400

PLATE¤ MARK,KOMATSU¤ REAR

SN: 3001-UP

1шт.

9

09690-B0280

PLATE¤ MARK,KOMATSU¤ FRONT

SN: 3001-UP

1шт.

10

09602-91635

PLATE¤ NAME,(LIMITED SUPPLY)

SN: 3001-UP

1шт.

|10

04418-13060

SCREW

SN: 3001-UP

4шт.

11

14U-98-11210

PLATE,D65E

SN: 3001-UP

2шт.

12

14X-98-11240

PLATE¤ OPERATING,STEERING LEVER

SN: 3001-UP

1шт.

13

14X-98-11250

PLATE¤ OPERATING,WORK EQUIP.LEVER

SN: 3001-UP

1шт.

|13

14X-98-11260

PLATE¤ OPERATING,WORK EQUIP.LEVER (ANGLE DOZER)

SN: 3001-UP

1шт.

Выбрано товаров: 15