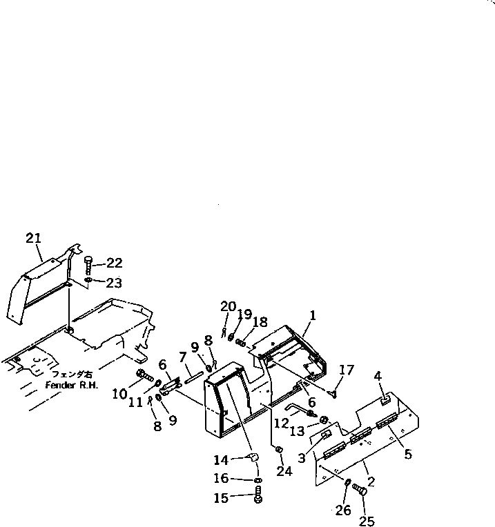
Запчасти Komatsu D85ESS-2 КРЫЛО (КОРПУС COVER) (С ROPS SWEEP) ЧАСТИ КОРПУСА

Схема запчастей Komatsu D85ESS-2 - КРЫЛО (КОРПУС COVER) (С ROPS SWEEP) ЧАСТИ КОРПУСА
FIT
1:1
100%

Артикул

Название

Примечание

Количество

1

14U-54-11261

COVER,L.H.

SN: 3034-UP

1шт.

2

14U-54-11252

COVER

SN: 3047-UP

1шт.

2

14U-54-11251

COVER

SN: 3034-3046

1шт.

3

17A-54-14230

LOCK (WELDED)

SN: 3034-UP

1шт.

4

17A-54-14240

LOCK (WELDED)

SN: 3034-UP

1шт.

5

09457-00275

HINGE (WELDED)

SN: 3034-UP

3шт.

6

14X-54-14242

HINGE

SN: 3034-UP

2шт.

7

14X-54-14251

PIN

SN: 3034-UP

2шт.

8

04050-13020

PIN,COTTER

SN: 3034-UP

4шт.

9

01641-21016

WASHER

SN: 3034-UP

4шт.

10

01010-81020

BOLT

SN: 3034-UP

4шт.

11

01643-31032

WASHER

SN: 3034-UP

4шт.

12

14X-54-14271

HOOK

SN: 3034-UP

1шт.

13

01580-11008

NUT

SN: 3034-UP

1шт.

14

14X-54-35380

PLATE,(FOR CANOPY)

SN: 5207-UP

2шт.

14

17A-54-14160

PLATE,(FOR CANOPY)

SN: 3034-5206

2шт.

14

17A-54-14160

PLATE

SN: 3034-UP

2шт.

15

01010-81225

BOLT

SN: 3034-UP

4шт.

16

01643-31232

WASHER

SN: 3034-UP

4шт.

17

09459-11033

LOCK

SN: 3034-UP

1шт.

18

09459-01614

SPRING

SN: 3034-UP

1шт.

19

01642-21016

WASHER

SN: 3034-UP

1шт.

20

04050-13015

PIN,COTTER

SN: 3034-UP

1шт.

21

14X-54-14123

COVER

SN: 3034-UP

1шт.

22

01010-81225

BOLT

SN: 3034-UP

2шт.

23

01643-31232

WASHER

SN: 3034-UP

2шт.

24

09415-00506

CAP

SN: 3034-UP

2шт.

25

01010-81220

BOLT

SN: 3034-UP

3шт.

26

01643-31232

WASHER

SN: 3034-UP

3шт.

Выбрано товаров: 29