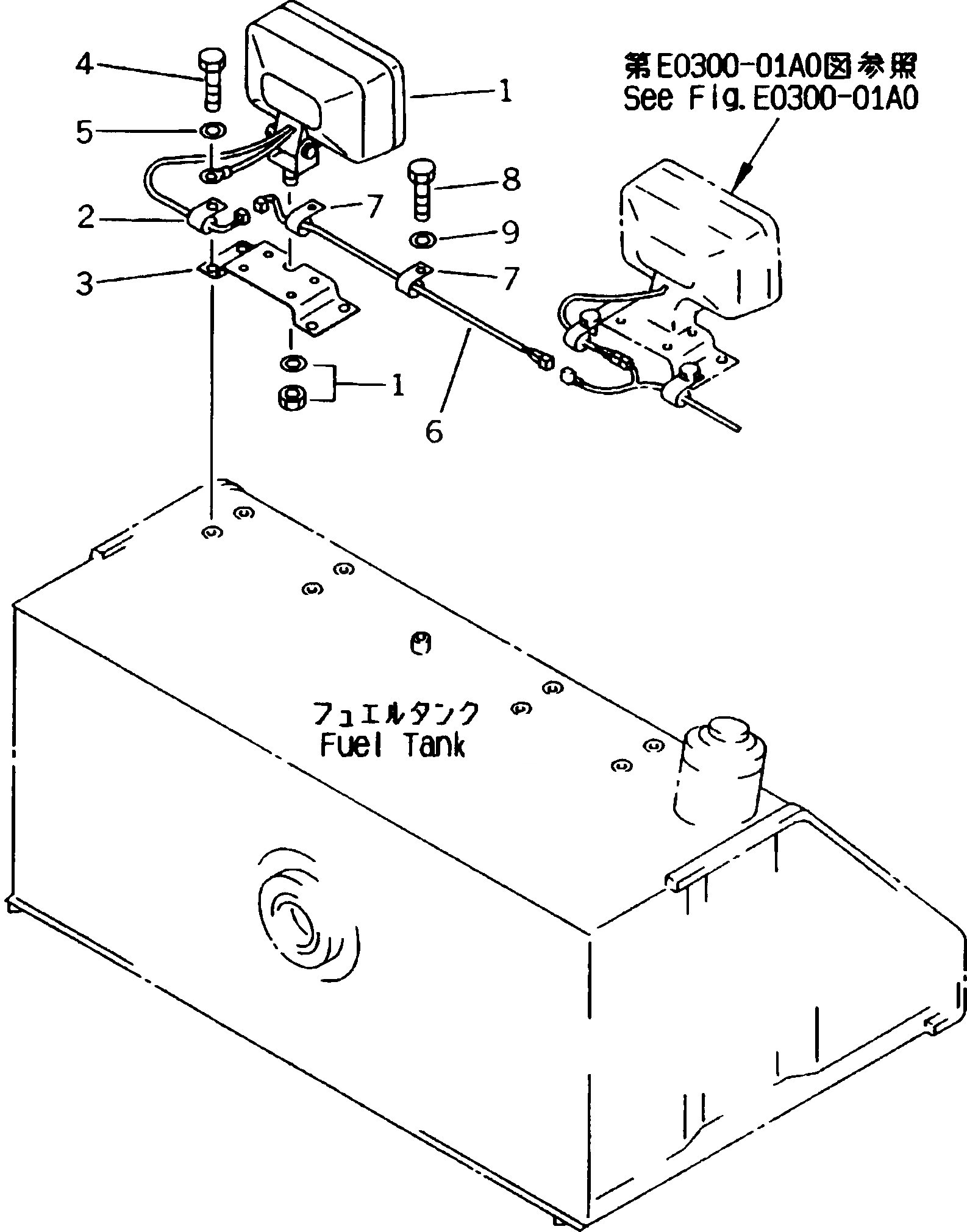
Запчасти Komatsu D85ESS-2A ДОПОЛН. ЗАДН. ОСВЕЩЕНИЕ(№-) ЭЛЕКТРИКА

Схема запчастей Komatsu D85ESS-2A - ДОПОЛН. ЗАДН. ОСВЕЩЕНИЕ(№-) ЭЛЕКТРИКА
FIT
1:1
100%

Артикул

Название

Примечание

Количество

1

14X-06-11120

WORK LAMP ASS'Y,60W

SN: 3001-UP

1шт.

2

08036-01214

CLIP

SN: 3001-UP

1шт.

3

120-04-31141

BRACKET

SN: 3001-UP

1шт.

4

01010-51020

BOLT

SN: 3001-UP

4шт.

5

01643-31032

WASHER

SN: 3001-UP

4шт.

6

14X-06-14480

WIRING HARNESS

SN: 3001-UP

1шт.

7

08036-01214

CLIP

SN: 3001-UP

2шт.

8

01010-51016

BOLT

SN: 3001-UP

1шт.

9

01643-31032

WASHER

SN: 3001-UP

1шт.

Выбрано товаров: 9