Запчасти Komatsu D85ESS-2A МАРКИРОВКА (КИТАЙ)(№-) МАРКИРОВКА

Схема запчастей Komatsu D85ESS-2A - МАРКИРОВКА (КИТАЙ)(№-) МАРКИРОВКА
FIT
1:1
100%

Артикул

Название

Примечание

Количество

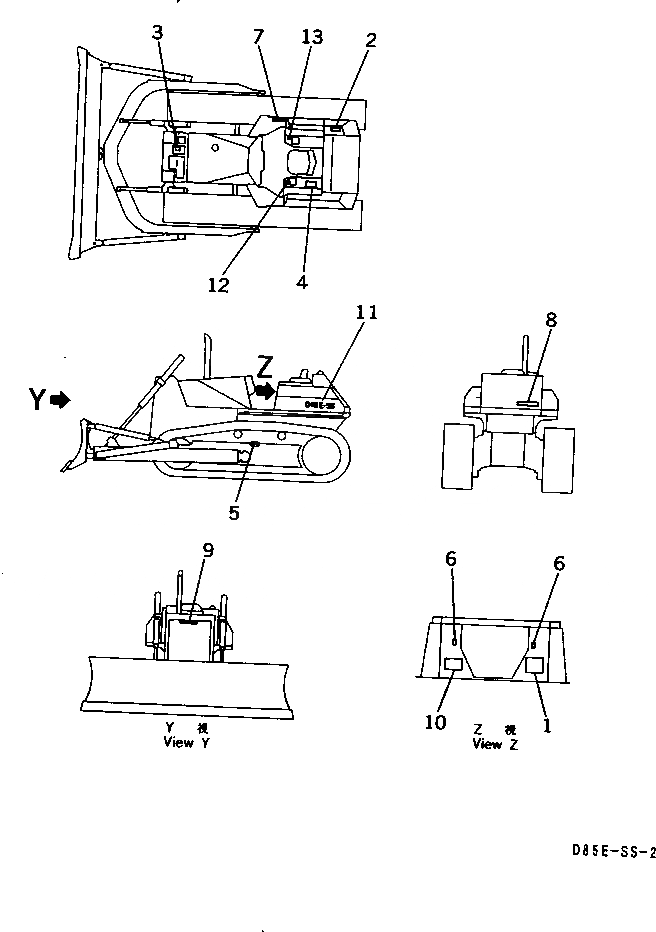
1

14U-98-11170

CHART, OIL

SN: 3001-UP

1шт.

2

14X-98-12520

PLATE, SAFETY,OPERATING OIL TANK

SN: 3001-UP

1шт.

3

14X-98-12530

PLATE, SAFETY,RADIATOR

SN: 3001-UP

1шт.

4

14X-98-12540

PLATE, CAUTION,BEFORE AND AFTER OPERATION

SN: 3001-UP

1шт.

5

14X-98-12550

PLATE, SAFETY,ADJUSTING TRACK SHOE

SN: 3001-UP

2шт.

6

14X-98-11170

PLATE, OPERATING,LOCK

SN: 3001-UP

2шт.

7

14X-98-12570

PLATE,PRESSURE TEST (C AND B)

SN: 3001-UP

1шт.

8

09690-C0400

PLATE, MARK,KOMATSU, REAR

SN: 3001-UP

1шт.

9

09690-B0280

PLATE, MARK,KOMATSU, FRONT

SN: 3001-UP

1шт.

10

09602-91635

PLATE, NAME,(LIMITED SUPPLY)

SN: 3001-UP

1шт.

10

04418-13060

SCREW

SN: 3001-UP

4шт.

11

14U-98-11210

PLATE,D65E

SN: 3001-UP

2шт.

12

14X-98-11240

PLATE, OPERATING,STEERING LEVER

SN: 3001-UP

1шт.

13

14X-98-11250

PLATE, OPERATING,WORK EQUIP.LEVER

SN: 3001-UP

1шт.

13

14X-98-11260

PLATE, OPERATING,WORK EQUIP.LEVER (ANGLE DOZER)

SN: 3001-UP

1шт.

Выбрано товаров: 15