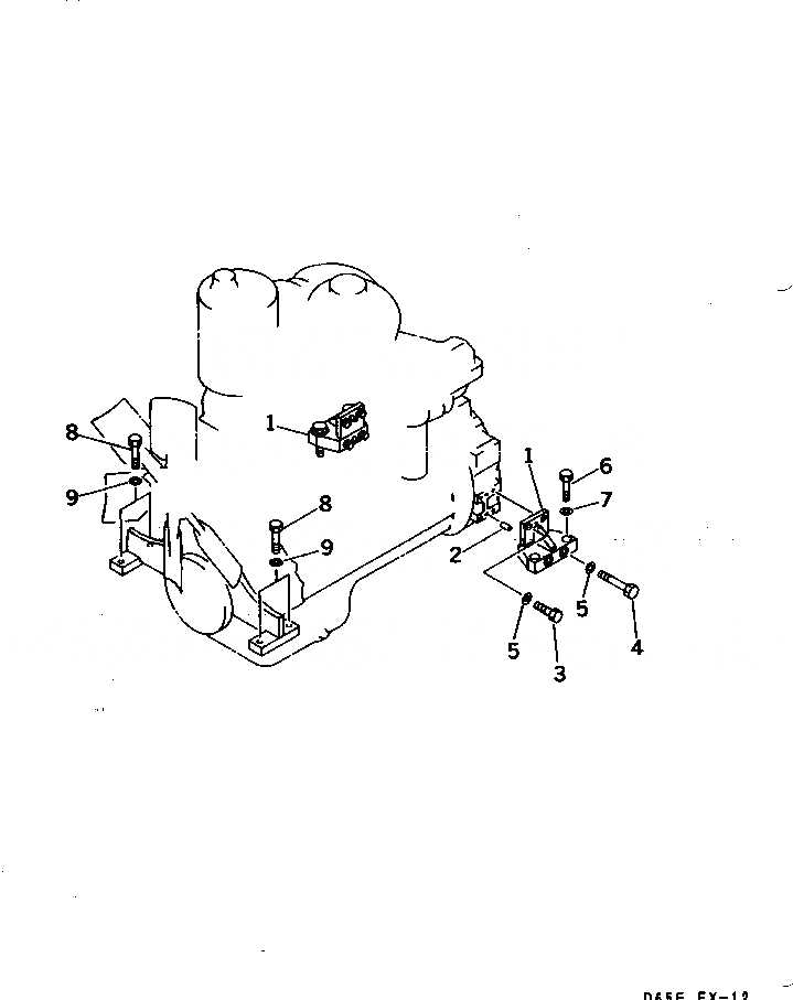
Запчасти Komatsu D85ESS-2A КРЕПЛЕНИЕ ДВИГАТЕЛЯ(№-) КОМПОНЕНТЫ ДВИГАТЕЛЯ

Схема запчастей Komatsu D85ESS-2A - КРЕПЛЕНИЕ ДВИГАТЕЛЯ(№-) КОМПОНЕНТЫ ДВИГАТЕЛЯ
FIT
1:1
100%

Артикул

Название

Примечание

Количество

1

14W-01-11120

BRACKET

SN: 3001-UP

2шт.

2

04020-01228

PIN

SN: 3001-UP

4шт.

3

01010-51645

BOLT

SN: 3001-UP

4шт.

4

01011-51630

BOLT

SN: 3001-UP

4шт.

5

01643-31645

WASHER

SN: 3001-UP

8шт.

6

01011-52000

BOLT

SN: 3001-UP

4шт.

7

01643-32060

WASHER

SN: 3001-UP

4шт.

8

01010-52085

BOLT

SN: 3001-UP

4шт.

9

01643-32060

WASHER

SN: 3001-UP

4шт.

Выбрано товаров: 9