Запчасти Komatsu D85ESS-2A ТРАНСМИССИЯ (КОРПУС)(№-) СИЛОВАЯ ПЕРЕДАЧА И КОНЕЧНАЯ ПЕРЕДАЧА

Схема запчастей Komatsu D85ESS-2A - ТРАНСМИССИЯ (КОРПУС)(№-) СИЛОВАЯ ПЕРЕДАЧА И КОНЕЧНАЯ ПЕРЕДАЧА
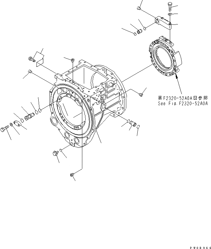
1
2
3
3
3
4
5
6
7
8
9
10
11
12
13
14
15
16
16
17
18
19
20
21
22
FIT
1:1
100%

Артикул

Название

Примечание

Количество

|$$1

SERIAL NO. IN ( ) INDICATES TRANSMISSION SERIAL NO.

-1шт.

|$3

14X-15-21002

TRANSMISSION ASS'Y

SN: 4934-UP

1шт.

|$4

14X-15-21001

TRANSMISSION ASS'Y

SN: 4001-4933

1шт.

|$$4

THESE ASSEMBLIES CONSIST OF ALL PARTS SHOWN IN FIGS.F2320-51A0A TO F2320-62A0A

-1шт.

1

134-15-71110

CASE

SN: (104171)-UP

1шт.

1

0

CASE

SN: (101093)-(104170)

1шт.

1

0

CASE

SN: 4001-(101092)

1шт.

2

07043-70617

PLUG

SN: 4001-UP

1шт.

3

07043-70211

PLUG

SN: 4001-UP

3шт.

4

07044-12412

PLUG

SN: 3034-UP

1шт.

5

07002-12434

O-RING (K2)

SN: 4001-UP

1шт.

6

09608-05080

PLATE, NAME

SN: 3034-UP

1шт.

6

04418-13060

SCREW

SN: 3034-UP

4шт.

7

14X-15-15161

SLEEVE

SN: 3034-UP

1шт.

8

07000-73022

O-RING (K2)

SN: 3034-UP

1шт.

9

07000-73025

O-RING (K2)

SN: 3034-UP

1шт.

10

07000-73028

O-RING (K2)

SN: 3034-UP

1шт.

11

14X-15-25140

BLOCK

SN: 4001-UP

1шт.

12

07043-70312

PLUG

SN: 3034-UP

1шт.

13

01010-81065

BOLT

SN: 3034-UP

2шт.

14

01643-31032

WASHER

SN: 3034-UP

2шт.

15

17A-15-25191

SLEEVE

SN: 4001-UP

1шт.

16

07000-73022

O-RING (K2)

SN: 3034-UP

2шт.

17

14X-15-14150

SLEEVE

SN: 3034-UP

1шт.

18

07000-73022

O-RING (K2)

SN: 3034-UP

1шт.

19

07000-73025

O-RING (K2)

SN: 3034-UP

1шт.

20

07336-60416

FLANGE

SN: 4001-UP

1шт.

21

01010-81040

BOLT

SN: (105489)-UP

2шт.

21

01010-81040

BOLT

SN: 4001-(105488)

4шт.

22

01643-31032

WASHER

SN: (105489)-UP

2шт.

22

01643-31032

WASHER

SN: 4001-(105488)

4шт.

Выбрано товаров: 0