Запчасти Komatsu D85EX-15 УПРАВЛЯЮЩ. КЛАПАН (MITSUKOJIMA TОБОД КОЛЕСАMING )(№98-) ЧАСТИ КОРПУСА

Схема запчастей Komatsu D85EX-15 - УПРАВЛЯЮЩ. КЛАПАН (MITSUKOJIMA TОБОД КОЛЕСАMING )(№98-) ЧАСТИ КОРПУСА
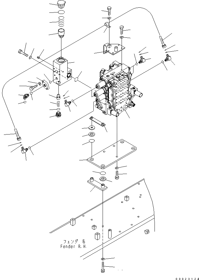
1
2
3
4
5
5
6
7
8
9
10
11
12
13
14
15
16
17
18
19
20
21
22
23
24
25
25
25
25
26
26
26
26
27
27
27
27
28
28
28
28
29
29
30
31
32
33
34
35
36
37
37
38
38
39
40
41
42
FIT
1:1
100%

Артикул

Название

Примечание

Количество

1

723-64-22601

CONTROL VALVE

SN: 10986-UP

1шт.

2

154-61-77490

BRACKET

SN: 10986-UP

1шт.

3

01010-80816

BOLT

SN: 10986-UP

2шт.

4

01643-30823

WASHER

SN: 10986-UP

2шт.

5

154-61-71300

VALVE ASS'Y

SN: 10986-UP

1шт.

5

07002-13334

O-RING

SN: 10986-UP

1шт.

6

07002-15234

O-RING

SN: 10986-UP

1шт.

7

07042-30108

PLUG

SN: 10986-UP

1шт.

8

154-61-71310

VALVE BODY

SN: 10986-UP

1шт.

9

17M-61-41320

SPRING

SN: 10986-UP

1шт.

10

203-62-58340

PLUG

SN: 10986-UP

1шт.

11

203-62-58820

POPPET

SN: 10986-UP

1шт.

12

205-60-71230

POPPET

SN: 10986-UP

1шт.

13

20Y-60-11530

SPRING

SN: 10986-UP

1шт.

14

20Y-60-11540

PLUG

SN: 10986-UP

1шт.

15

07000-13038

O-RING

SN: 10986-UP

1шт.

16

01010-81085

BOLT

SN: 10986-UP

4шт.

17

01643-31032

WASHER

SN: 10986-UP

4шт.

18

195-33-14150

FLANGE

SN: 10986-UP

1шт.

19

07000-13038

O-RING

SN: 10986-UP

1шт.

20

01010-81035

BOLT

SN: 10986-UP

2шт.

21

01643-31032

WASHER

SN: 10986-UP

2шт.

22

02783-10422

ELBOW

SN: 10986-UP

1шт.

23

07002-12034

O-RING

SN: 10986-UP

1шт.

24

02896-11012

O-RING

SN: 10986-UP

1шт.

25

20Y-62-22271

ELBOW

SN: 10986-UP

6шт.

26

201-60-11390

O-RING

SN: 10986-UP

1шт.

27

20Y-62-19560

O-RING

SN: 10986-UP

1шт.

28

07002-11423

O-RING

SN: 10986-UP

6шт.

29

154-61-77480

HOSE

SN: 10986-UP

1шт.

30

04434-51210

CLIP

SN: 10986-UP

1шт.

31

01010-81020

BOLT

SN: 10986-UP

1шт.

32

01643-31032

WASHER

SN: 10986-UP

1шт.

33

154-60-72240

PLATE

SN: 10986-UP

1шт.

34

01010-81435

BOLT

SN: 10986-UP

3шт.

35

01643-31445

WASHER

SN: 10986-UP

3шт.

36

154-60-72260

BRACKET

SN: 10986-UP

2шт.

37

14X-60-12120

CUSHION

SN: 10986-UP

8шт.

38

07000-13025

O-RING

SN: 10986-UP

8шт.

39

561-74-61750

WASHER

SN: 10986-UP

4шт.

40

01010-81275

BOLT

SN: 10986-UP

4шт.

41

01643-31232

WASHER

SN: 10986-UP

4шт.

42

154-60-72250

BRACKET

SN: 10986-UP

1шт.

Выбрано товаров: 43