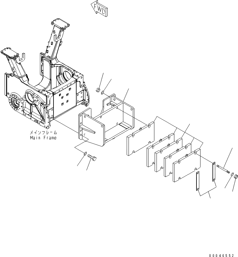
Запчасти Komatsu D85EX-15 ПРОТИВОВЕС РАБОЧЕЕ ОБОРУДОВАНИЕ

Схема запчастей Komatsu D85EX-15 - ПРОТИВОВЕС РАБОЧЕЕ ОБОРУДОВАНИЕ
1
2
3
4
4
5
6
6
7
8
FIT
1:1
100%

Артикул

Название

Примечание

Количество

1

154-69-73110

BRACKET

SN: 10001-UP

1шт.

2

195-69-12121

WEIGHT

SN: 10001-UP

5шт.

3

15A-69-21120

BOLT

SN: 10001-UP

4шт.

4

01580-13024

NUT

SN: 10001-UP

6шт.

5

198-69-11291

PLATE

SN: 10001-UP

2шт.

6

01643-33080

WASHER

SN: 10001-UP

6шт.

7

01018-33390

BOLT

SN: 10001-UP

10шт.

8

01643-33380

WASHER

SN: 10001-UP

10шт.

Выбрано товаров: 8