Запчасти Komatsu D85EX-15 ПОВОРОТН. ШКВОРЕНЬ ОСНОВН. РАМА И КОМПОНЕНТЫ

Схема запчастей Komatsu D85EX-15 - ПОВОРОТН. ШКВОРЕНЬ ОСНОВН. РАМА И КОМПОНЕНТЫ
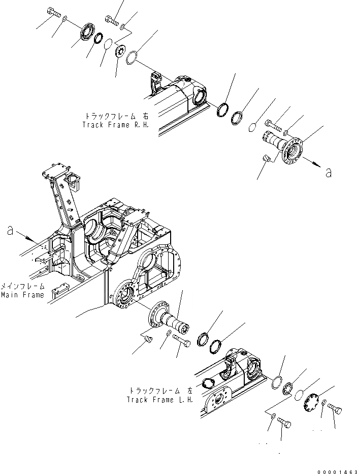
1
2
3
4
5
6
7
8
9
10
11
12
13
14
15
16
17
18
19
20
21
22
23
24
25
26
27
28
29
30
FIT
1:1
100%

Артикул

Название

Примечание

Количество

1

154-50-71211

SHAFT,L.H.

SN: 10001-UP

1шт.

2

01010-82480

BOLT

SN: 10001-UP

15шт.

3

01643-32460

WASHER

SN: 10001-UP

15шт.

4

07049-02430

PLUG

SN: 10001-UP

2шт.

5

154-50-71140

RING

SN: 10001-UP

1шт.

6

17A-50-11140

SEAL

SN: 10001-UP

1шт.

7

154-50-71190

SPACER

SN: 10001-UP

1шт.

8

154-50-71180

WASHER

SN: 10001-UP

1шт.

9

01010-81240

BOLT

SN: 10001-UP

8шт.

10

01643-31232

WASHER

SN: 10001-UP

8шт.

11

07000-15195

O-RING

SN: 10001-UP

1шт.

12

154-50-71290

COVER,L.H.

SN: 10001-UP

1шт.

13

01010-81240

BOLT

SN: 10001-UP

8шт.

14

01643-31232

WASHER

SN: 10001-UP

8шт.

15

154-50-71111

SHAFT,R.H.

SN: 10001-UP

1шт.

16

01010-82480

BOLT

SN: 10001-UP

15шт.

17

01643-32460

WASHER

SN: 10001-UP

15шт.

18

07049-02430

PLUG

SN: 10001-UP

2шт.

19

154-50-71140

RING

SN: 10001-UP

1шт.

20

17A-50-11140

SEAL

SN: 10001-UP

1шт.

21

07000-12125

O-RING

SN: 10001-UP

1шт.

22

154-50-71190

SPACER

SN: 10001-UP

1шт.

23

154-50-71120

WASHER

SN: 10001-UP

1шт.

24

07000-15195

O-RING

SN: 10001-UP

1шт.

25

154-50-71130

WASHER,R.H.

SN: 10001-UP

1шт.

26

01010-81265

BOLT

SN: 10001-UP

8шт.

27

01643-31232

WASHER

SN: 10001-UP

8шт.

28

134-50-61160

SEAL

SN: 10001-UP

1шт.

29

01010-81250

BOLT

SN: 10001-UP

2шт.

30

01643-31232

WASHER

SN: 10001-UP

2шт.

Выбрано товаров: 0