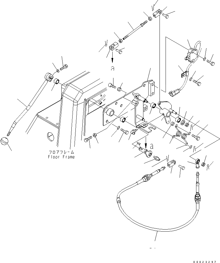
Запчасти Komatsu D85EX-15 РЫЧАГ СТОЯНОЧНОГО ТОРМОЗА КАБИНА ОПЕРАТОРА И СИСТЕМА УПРАВЛЕНИЯ

Схема запчастей Komatsu D85EX-15 - РЫЧАГ СТОЯНОЧНОГО ТОРМОЗА КАБИНА ОПЕРАТОРА И СИСТЕМА УПРАВЛЕНИЯ
1
2
2
3
4
4
5
6
7
8
9
10
11
11
12
12
13
14
15
16
17
18
19
20
21
22
23
24
25
26
27
28
29
30
31
32
33
34
35
35
36
36
37
38
39
40
41
42
43
44
45
FIT
1:1
100%

Артикул

Название

Примечание

Количество

1

154-43-72311

BRACKET

SN: 10001-UP

1шт.

2

06123-01614

BEARING

SN: 10001-UP

2шт.

3

154-43-72321

BRACKET

SN: 10001-UP

1шт.

4

06123-01614

BEARING

SN: 10001-UP

2шт.

5

09463-00002

SPRING

SN: 10001-UP

1шт.

6

09463-00006

SPRING

SN: 10001-UP

1шт.

7

01640-20610

WASHER

SN: 10001-UP

1шт.

8

04050-11612

PIN

SN: 10001-UP

1шт.

9

01010-80625

BOLT

SN: 10001-UP

1шт.

10

01580-10605

NUT

SN: 10001-UP

1шт.

11

01016-80830

BOLT

SN: 10001-UP

2шт.

12

01580-10806

NUT

SN: 10001-UP

2шт.

13

281-40-13570

WASHER

SN: 10001-UP

1шт.

14

01590-30809

NUT

SN: 10001-UP

1шт.

15

04050-12015

PIN

SN: 10001-UP

1шт.

16

07020-00900

FITTING,GREASE

SN: 10001-UP

1шт.

17

198-06-56540

SWITCH

SN: 10001-UP

1шт.

18

01010-81035

BOLT

SN: 10001-UP

2шт.

19

01643-31032

WASHER

SN: 10001-UP

2шт.

20

04434-51010

CLIP

SN: 10080-UP

1шт.

|20

04434-50610

CLIP

SN: 10001-10079

1шт.

21

01010-81020

BOLT

SN: 10001-UP

1шт.

22

01643-31032

WASHER

SN: 10001-UP

1шт.

23

195-43-45421

CABLE

SN: 10001-UP

1шт.

24

04250-80847

END

SN: 10001-UP

1шт.

25

01590-30809

NUT

SN: 10001-UP

1шт.

26

04050-12015

PIN

SN: 10001-UP

1шт.

27

22W-43-17150

YOKE

SN: 10001-UP

1шт.

28

04205-10622

PIN

SN: 10001-UP

1шт.

29

04050-11612

PIN

SN: 10001-UP

1шт.

30

04210-20832

YOKE

SN: 10001-UP

1шт.

31

01580-10806

NUT

SN: 10001-UP

1шт.

32

04248-30816

ROD

SN: 10001-UP

1шт.

33

01508-40805

NUT

SN: 10001-UP

1шт.

34

04220-20832

YOKE

SN: 10001-UP

1шт.

35

04050-12015

PIN

SN: 10001-UP

2шт.

36

04205-10822

PIN

SN: 10001-UP

2шт.

37

01010-81030

BOLT

SN: 10001-UP

3шт.

38

01643-31032

WASHER

SN: 10001-UP

3шт.

39

154-43-72351

SHAFT

SN: 10001-UP

1шт.

40

07020-00000

FITTING,GREASE

SN: 10001-UP

1шт.

41

04010-00519

KEY

SN: 10001-UP

1шт.

42

154-43-72361

LEVER

SN: 10001-UP

1шт.

43

01010-81035

BOLT

SN: 10001-UP

1шт.

44

01643-31032

WASHER

SN: 10001-UP

1шт.

45

09304-10835

KNOB

SN: 10001-UP

1шт.

Выбрано товаров: 46