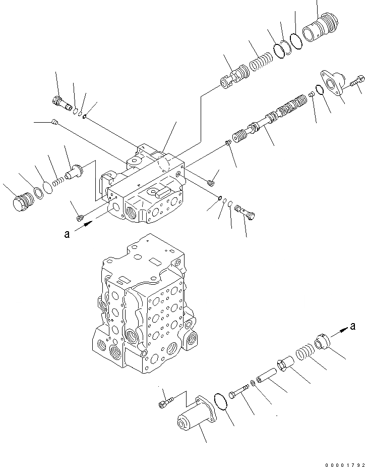
Запчасти Komatsu D85EX-15 УПРАВЛЯЮЩ. КЛАПАН (4-Х СЕКЦИОНН.) (7/8) ОСНОВН. КОМПОНЕНТЫ И РЕМКОМПЛЕКТЫ

Схема запчастей Komatsu D85EX-15 - УПРАВЛЯЮЩ. КЛАПАН (4-Х СЕКЦИОНН.) (7/8) ОСНОВН. КОМПОНЕНТЫ И РЕМКОМПЛЕКТЫ
1
2
2
3
4
5
5
6
7
7
8
9
10
11
12
13
14
15
16
17
18
19
20
21
22
23
24
25
26
27
28
29
30
31
32
33
34
35
FIT
1:1
100%

Артикул

Название

Примечание

Количество

|1

723-64-22600

CONTROL VALVE

SN: 10001-UP

1шт.

|$$2

THIS ASSEMBLY CONSISTS OF ALL PARTS SHOWN IN FIGS.Y1664-01A0 T0 Y1664-08A0.

-1шт.

|1

723-61-21900

VALVE ASS'Y

SN: 10001-UP

1шт.

1

0

BLOCK

SN: 10001-UP

1шт.

2

0

PLUG

SN: 10001-UP

4шт.

3

0

PLUG

SN: 10001-UP

2шт.

4

0

SPOOL

SN: 10001-UP

1шт.

5

0

PLUG

SN: 10001-UP

2шт.

6

07430-71380

O-RING

SN: 10001-UP

1шт.

7

01252-60820

BOLT

SN: 10001-UP

4шт.

8

01643-31032

WASHER

SN: 10001-UP

1шт.

9

723-63-31670

RETAINER

SN: 10001-UP

1шт.

10

723-63-31710

CASE

SN: 10001-UP

1шт.

11

01010-81075

BOLT

SN: 10001-UP

1шт.

12

723-63-31720

SPACER

SN: 10001-UP

1шт.

13

723-63-31730

RETAINER

SN: 10001-UP

1шт.

14

723-63-31740

SPRING

SN: 10001-UP

1шт.

15

723-63-32680

CASE

SN: 10001-UP

1шт.

16

07000-12030

O-RING

SN: 10001-UP

1шт.

17

0

SPOOL

SN: 10001-UP

1шт.

18

723-63-32630

PLUG

SN: 10001-UP

1шт.

19

723-63-32690

SPRING

SN: 10001-UP

1шт.

20

700-61-49160

O-RING

SN: 10001-UP

1шт.

21

723-63-31850

O-RING

SN: 10001-UP

1шт.

22

723-63-31860

RING

SN: 10001-UP

1шт.

23

709-74-92821

PLUG

SN: 10001-UP

1шт.

24

709-94-92811

VALVE

SN: 10001-UP

1шт.

25

709-94-91751

SPRING

SN: 10001-UP

1шт.

26

700-93-11320

O-RING

SN: 10001-UP

1шт.

27

700-93-11330

RING

SN: 10001-UP

1шт.

28

723-63-31610

PLUG

SN: 10001-UP

1шт.

29

07002-11423

O-RING

SN: 10001-UP

1шт.

30

07000-11007

O-RING

SN: 10001-UP

1шт.

31

07001-01007

RING,BACK-UP

SN: 10001-UP

1шт.

32

723-60-24500

VALVE ASS'Y,CHECK

SN: 10001-UP

1шт.

33

07000-11005

O-RING

SN: 10001-UP

1шт.

34

07001-01005

RING

SN: 10001-UP

1шт.

35

07002-11023

O-RING

SN: 10001-UP

1шт.

Выбрано товаров: 38