Запчасти Komatsu D85EX-15 КЛАПАН ТРАНСМИССИИ COVER СИЛОВАЯ ПЕРЕДАЧА И КОНЕЧНАЯ ПЕРЕДАЧА

Схема запчастей Komatsu D85EX-15 - КЛАПАН ТРАНСМИССИИ COVER СИЛОВАЯ ПЕРЕДАЧА И КОНЕЧНАЯ ПЕРЕДАЧА
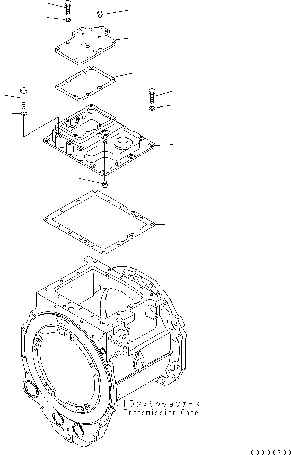
1
2
3
4
5
5
6
7
8
9
10
11
FIT
1:1
100%

Артикул

Название

Примечание

Количество

|$$1

SERIAL NO. IN ( ) INDICATES TRANSMISSION SERIAL NO.

-1шт.

|1

154-15-61001

TRANSMISSION ASS'Y

SN: (100076)-UP

1шт.

|1

154-15-61000

TRANSMISSION ASS'Y

SN: 10001-(100075)

1шт.

|$$4

THIS ASSEMBLY CONSISTS OF ALL PARTS SHOWN IN FIGS.F2320-51A0 TO F2320-62A0.

-1шт.

1

14X-15-25850

COVER

SN: (100076)-UP

1шт.

|1

14X-15-25810

COVER

SN: 10001-(100075)

1шт.

2

14X-15-15910

GASKET (K2)

SN: 10001-UP

1шт.

3

01010-81230

BOLT

SN: 10001-UP

12шт.

4

01010-81285

BOLT

SN: 10001-UP

3шт.

5

01643-31232

WASHER

SN: 10001-UP

15шт.

6

14X-15-25821

COVER

SN: (100076)-UP

1шт.

|6

14X-15-25820

COVER

SN: 10001-(100075)

1шт.

7

14X-15-25831

GASKET (K2)

SN: (100076)-UP

1шт.

|7

14X-15-25830

GASKET (K2)

SN: 10001-(100075)

1шт.

8

01010-81035

BOLT

SN: 10001-UP

6шт.

9

01643-31032

WASHER

SN: 10001-UP

6шт.

10

07042-80211

PLUG

SN: 10001-UP

1шт.

11

07043-70108

PLUG

SN: 10001-UP

1шт.

Выбрано товаров: 18