Запчасти Komatsu D85EX-15E0 ОСНОВН. РАМА(№-) ОСНОВН. РАМА И КОМПОНЕНТЫ

Схема запчастей Komatsu D85EX-15E0 - ОСНОВН. РАМА(№-) ОСНОВН. РАМА И КОМПОНЕНТЫ
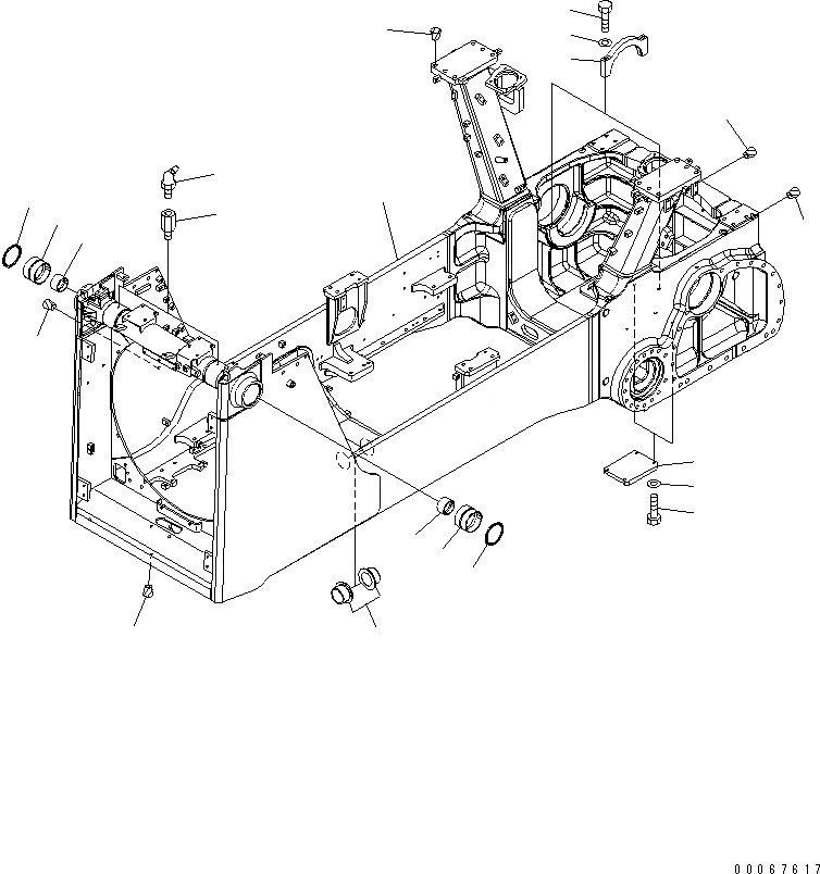
1
2
3
4
5
6
6
7
7
8
8
9
10
11
12
13
14
15
16
17
18
FIT
1:1
100%

Артикул

Название

Примечание

Количество

1

154-21-75104

FRAME

SN: 11274-UP

1шт.

1

154-21-75102

FRAME

SN: 11044-11273

1шт.

1

154-21-75101

FRAME

SN: 11001-11043

1шт.

2

154-21-71551

COVER

SN: 11001-UP

2шт.

3

01010-81230

BOLT

SN: 11001-UP

8шт.

4

01643-31232

WASHER

SN: 11001-UP

8шт.

5

154-21-71320

BUSHING

SN: 11001-UP

2шт.

6

154-61-13141

BUSHING

SN: 11001-UP

2шт.

7

154-61-75730

BUSHING

SN: 11001-UP

2шт.

8

154-61-13150

SEAL

SN: 11001-UP

2шт.

9

207-68-11170

NIPPLE

SN: 11001-UP

2шт.

10

07020-00675

FITTING,GREASE

SN: 11001-UP

2шт.

11

154-21-71420

CAP

SN: 11001-UP

2шт.

12

01011-81640

BOLT

SN: 11001-UP

4шт.

13

01643-31645

WASHER

SN: 11001-UP

4шт.

14

07049-03342

PLUG

SN: 11001-UP

16шт.

15

07049-02025

PLUG

SN: 11001-UP

8шт.

16

07049-01215

PLUG

SN: 11001-UP

6шт.

17

07049-02430

PLUG

SN: 11001-UP

12шт.

18

07049-01822

PLUG

SN: 11274-UP

2шт.

Выбрано товаров: 0