Запчасти Komatsu D85EX-15E0 ОТВАЛ P.P.C. ТРУБЫ (ДЛЯ ПОВОРОТНОГО ОТВАЛА ИЛИ ПРЯМ. УГОЛЬН. DOZER)(№-) КАБИНА ОПЕРАТОРА И СИСТЕМА УПРАВЛЕНИЯ

Схема запчастей Komatsu D85EX-15E0 - ОТВАЛ P.P.C. ТРУБЫ (ДЛЯ ПОВОРОТНОГО ОТВАЛА ИЛИ ПРЯМ. УГОЛЬН. DOZER)(№-) КАБИНА ОПЕРАТОРА И СИСТЕМА УПРАВЛЕНИЯ
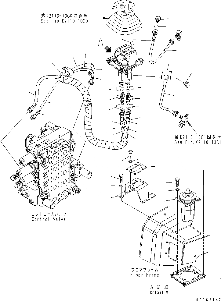
1
2
2
3
3
4
4
5
6
7
8
9
10
11
12
12
13
13
13
13
14
14
14
14
15
15
16
16
17
17
18
19
20
21
22
23
24
25
FIT
1:1
100%

Артикул

Название

Примечание

Количество

1

702-16-03790

PILOT VALVE,(SEE FIG. Y1670-01A1)

SN: 11001-UP

1шт.

2

02781-00311

UNION

SN: 11001-UP

4шт.

3

07002-11423

O-RING

SN: 11001-UP

4шт.

4

02896-11009

O-RING

SN: 11001-UP

4шт.

5

154-43-72430

COVER

SN: 11001-UP

1шт.

6

01010-80830

BOLT

SN: 11001-UP

4шт.

7

01643-30823

WASHER

SN: 11001-UP

4шт.

8

154-61-78441

HOSE

SN: 11001-UP

1шт.

9

702-16-53240

PLUG

SN: 11001-UP

1шт.

10

07000-12018

O-RING

SN: 11001-UP

2шт.

11

203-62-57730

BOLT

SN: 11001-UP

1шт.

12

07000-12018

O-RING

SN: 11001-UP

2шт.

|$24

154-61-71510

HOSE A.

SN: 11001-UP

1шт.

13

154-61-71520

HOSE

SN: 11001-UP

2шт.

14

154-61-71530

HOSE

SN: 11001-UP

2шт.

15

20Y-62-22810

BAND, YELLOW

SN: 11001-UP

2шт.

16

20Y-62-22840

BAND, BLACK

SN: 11001-UP

2шт.

17

20Y-62-22850

BAND, GREEN

SN: 11001-UP

2шт.

18

154-61-78430

HOSE

SN: 11001-UP

1шт.

19

04434-53212

CLIP

SN: 11001-UP

1шт.

20

154-43-75420

BRACKET

SN: 11001-UP

1шт.

21

01010-80830

BOLT

SN: 11001-UP

2шт.

22

01643-30823

WASHER

SN: 11001-UP

2шт.

23

17A-78-11630

PLATE

SN: 11001-UP

1шт.

24

01370-00512

SCREW

SN: 11001-UP

4шт.

25

01641-20508

WASHER

SN: 11001-UP

4шт.

Выбрано товаров: 26