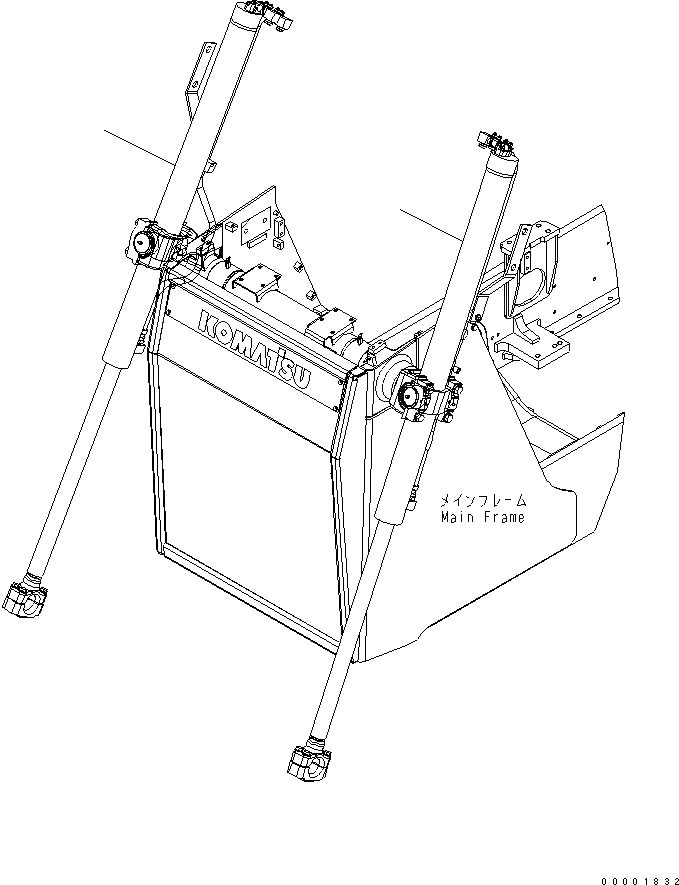
Запчасти Komatsu D85EX-15E0 ЦИЛИНДР ПОДЪЕМА ОТВАЛА(№-) РАБОЧЕЕ ОБОРУДОВАНИЕ

Схема запчастей Komatsu D85EX-15E0 - ЦИЛИНДР ПОДЪЕМА ОТВАЛА(№-) РАБОЧЕЕ ОБОРУДОВАНИЕ
1
2
FIT
1:1
100%

Артикул

Название

Примечание

Количество

1

707-02-X7860

CYLINDER GROUP,L.H.

SN: 11152-UP

1шт.

1

707-02-X7401

CYLINDER GROUP,L.H.

SN: 11001-11151

1шт.

2

707-02-X7870

CYLINDER GROUP,R.H.

SN: 11152-UP

1шт.

2

707-02-X7411

CYLINDER GROUP,R.H.

SN: 11001-11151

1шт.

Выбрано товаров: 0