Запчасти Komatsu D85EX-15E0 H.S.S (КОРПУС) (С ДВИГАТЕЛЬ МАСЛ. И ПОДОГРЕВАТЕЛЬ ХЛАДАГЕНТА)(№-) СИЛОВАЯ ПЕРЕДАЧА И КОНЕЧНАЯ ПЕРЕДАЧА

Схема запчастей Komatsu D85EX-15E0 - H.S.S (КОРПУС) (С ДВИГАТЕЛЬ МАСЛ. И ПОДОГРЕВАТЕЛЬ ХЛАДАГЕНТА)(№-) СИЛОВАЯ ПЕРЕДАЧА И КОНЕЧНАЯ ПЕРЕДАЧА
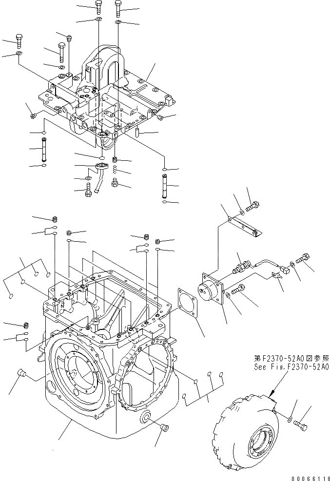
1
2
2
3
4
5
6
6
7
7
8
8
9
10
11
12
13
14
15
15
15
16
16
17
17
17
18
18
18
18
18
19
19
20
20
20
20
21
21
22
23
24
25
26
27
28
29
30
31
32
33
34
35
36
FIT
1:1
100%

Артикул

Название

Примечание

Количество

|$1

154-22-61020

STEERING ASS'Y

SN: 11001-UP

1шт.

|$$2

THIS ASSEMBLY CONSISTS OF ALL PARTS SHOWN IN FIGS.F2370-51A0 TO F2370-58A0.

-1шт.

1

154-22-25210

CASE

SN: 11001-UP

1шт.

2

02720-11616

PLUG

SN: 11001-UP

2шт.

3

154-22-25130

COVER

SN: 11001-UP

1шт.

4

154-22-25160

COVER

SN: 11001-UP

1шт.

5

154-22-25170

GASKET

SN: 11001-UP

1шт.

6

01010-81230

BOLT

SN: 11001-UP

4шт.

7

01643-31232

WASHER

SN: 11001-UP

4шт.

8

07000-73022

O-RING

SN: 11001-UP

8шт.

9

01010-81255

BOLT

SN: 11001-UP

32шт.

10

01643-31232

WASHER

SN: 11001-UP

32шт.

11

04020-01434

PIN

SN: 11001-UP

2шт.

12

01010-61645

BOLT

SN: 11001-UP

15шт.

13

01010-61670

BOLT

SN: 11001-UP

3шт.

14

01011-61615

BOLT

SN: 11001-UP

1шт.

15

01643-31645

WASHER

SN: 11001-UP

19шт.

16

134-22-66140

SLEEVE

SN: 11001-UP

4шт.

17

14X-22-16170

SLEEVE

SN: 11001-UP

5шт.

18

07000-72018

O-RING

SN: 11001-UP

14шт.

19

14Y-22-26180

TUBE

SN: 11001-UP

2шт.

20

07000-72018

O-RING

SN: 11001-UP

4шт.

21

07043-70312

PLUG

SN: 11001-UP

19шт.

22

07042-80108

PLUG

SN: 11001-UP

1шт.

23

23A-15-15490

VALVE

SN: 11001-UP

1шт.

24

702-16-52420

SPRING

SN: 11001-UP

1шт.

25

07040-12012

PLUG

SN: 11001-UP

1шт.

26

14Y-22-26240

TUBE

SN: 11001-UP

1шт.

27

07000-73022

O-RING

SN: 11001-UP

1шт.

28

01010-81035

BOLT

SN: 11001-UP

2шт.

29

01643-31032

WASHER

SN: 11001-UP

2шт.

30

01010-81025

BOLT

SN: 11001-UP

2шт.

31

01643-31032

WASHER

SN: 11001-UP

2шт.

32

7861-93-2330

SENSOR

SN: 11001-UP

1шт.

33

08193-20012

CLIP

SN: 11001-UP

1шт.

34

01010-81220

BOLT

SN: 11001-UP

1шт.

35

01643-31232

WASHER

SN: 11001-UP

1шт.

36

154-22-25190

BRACKET

SN: 11001-UP

1шт.

Выбрано товаров: 38