Запчасти Komatsu D85EX-15E0 PM CLINIC(№-) РАЗНОЕ

Схема запчастей Komatsu D85EX-15E0 - PM CLINIC(№-) РАЗНОЕ
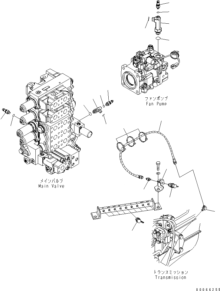
1
2
3
4
5
6
7
8
9
10
11
12
13
14
15
16
17
18
19
FIT
1:1
100%

Артикул

Название

Примечание

Количество

1

154-49-71970

BRACKET

SN: 11001-UP

1шт.

2

195-49-36120

NIPPLE,T/M LUBRICAT OIL PRESSURE

SN: 11001-UP

1шт.

3

203-62-21740

NIPPLE

SN: 11001-UP

1шт.

4

154-49-71980

HOSE

SN: 11001-UP

1шт.

5

202-62-21430

ELBOW

SN: 11001-UP

1шт.

6

08034-20536

BAND

SN: 11001-UP

3шт.

7

02782-50210

ELBOW

SN: 11001-UP

1шт.

8

07002-11423

O-RING

SN: 11001-UP

1шт.

9

02896-11008

O-RING

SN: 11001-UP

1шт.

10

799-101-5220

NIPPLE,P.P.C. PRESSURE

SN: 11001-UP

1шт.

11

07002-11023

O-RING

SN: 11001-UP

1шт.

12

02782-50522

ELBOW

SN: 11001-UP

1шт.

13

07002-12434

O-RING

SN: 11001-UP

1шт.

14

02896-11015

O-RING

SN: 11001-UP

1шт.

15

799-101-5220

NIPPLE,FAN PUMP PRESSURE

SN: 11001-UP

1шт.

16

07002-11023

O-RING

SN: 11001-UP

1шт.

17

799-101-5220

NIPPLE,LS PRESSURE

SN: 11001-UP

1шт.

18

07002-11023

O-RING

SN: 11001-UP

1шт.

19

195-49-36120

NIPPLE

SN: 11001-UP

9шт.

Выбрано товаров: 0