Запчасти Komatsu D85EX-15E0 ЭЛЕКТРОПРОВОДКА (КРЫЛО)(№-) ЭЛЕКТРИКА

Схема запчастей Komatsu D85EX-15E0 - ЭЛЕКТРОПРОВОДКА (КРЫЛО)(№-) ЭЛЕКТРИКА
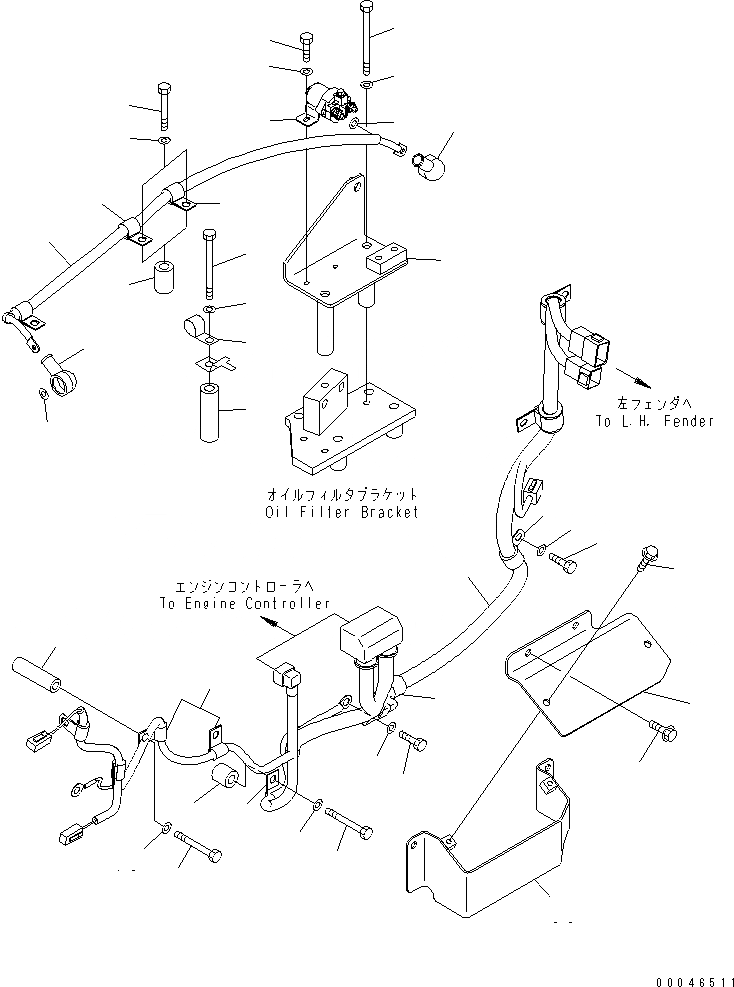
1
2
3
4
5
6
7
8
9
10
11
12
13
14
15
16
17
18
19
20
21
22
23
24
24
25
26
27
28
29
29
30
31
32
33
34
35
35
36
FIT
1:1
100%

Артикул

Название

Примечание

Количество

1

154-06-74193

WIRING HARNESS

SN: 11010-UP

1шт.

1

154-06-74192

WIRING HARNESS

SN: 11001-11009

1шт.

1

21J-06-13661

DIODE

SN: 11001-UP

1шт.

2

600-051-2190

CLIP

SN: 11001-UP

1шт.

3

01010-81020

BOLT

SN: 11001-UP

1шт.

4

01643-31032

WASHER

SN: 11001-UP

1шт.

5

600-051-2190

CLIP

SN: 11001-UP

1шт.

6

600-051-2100

CLIP

SN: 11001-UP

1шт.

7

195-33-11220

SPACER

SN: 11001-UP

1шт.

8

01010-81090

BOLT

SN: 11001-UP

1шт.

9

01643-31032

WASHER

SN: 11001-UP

1шт.

10

01010-81020

BOLT

SN: 11001-UP

1шт.

11

01643-31032

WASHER

SN: 11001-UP

1шт.

12

600-051-2100

CLIP

SN: 11001-UP

2шт.

13

6215-51-5970

SPACER

SN: 11001-UP

2шт.

14

01010-81090

BOLT

SN: 11001-UP

2шт.

15

01643-31032

WASHER

SN: 11001-UP

2шт.

16

154-06-74531

BRACKET

SN: 11001-11043

1шт.

17

01011-81015

BOLT

SN: 11001-11043

2шт.

18

01643-31032

WASHER

SN: 11001-11043

2шт.

19

600-815-2170

SWITCH

SN: 11001-11043

1шт.

20

01010-80616

BOLT

SN: 11001-11043

2шт.

21

01643-30623

WASHER

SN: 11001-11043

2шт.

22

154-06-74130

WIRING HARNESS

SN: 11001-11043

1шт.

23

01640-20610

WASHER

SN: 11010-11043

1шт.

24

08038-02027

CAP

SN: 11001-11043

2шт.

25

600-051-2140

CLIP

SN: 11001-11043

1шт.

26

20Y-03-11220

COLLAR

SN: 11010-11043

1шт.

26

581-60-17860

SPACER

SN: 11001-11009

1шт.

27

01435-01060

BOLT

SN: 11010-11043

1шт.

27

01011-81010

BOLT

SN: 11001-11009

1шт.

28

01643-31032

WASHER

SN: 11001-11043

1шт.

29

600-051-2140

CLIP

SN: 11001-11043

2шт.

30

20Y-03-11220

COLLAR

SN: 11001-11043

2шт.

31

01435-01060

BOLT

SN: 11010-11043

2шт.

31

01010-81070

BOLT

SN: 11001-11009

2шт.

32

01643-31032

WASHER

SN: 11001-11009

2шт.

33

154-01-72121

COVER

SN: 11001-UP

1шт.

34

154-01-72180

COVER

SN: 11001-UP

1шт.

35

01435-00820

BOLT

SN: 11001-UP

4шт.

36

01643-31032

WASHER

SN: 11010-UP

1шт.

Выбрано товаров: 41