Запчасти Komatsu D85EX-15E0 СИЛОВАЯ ПЕРЕДАЧА (ВСАСЫВ.)(№-) СИЛОВАЯ ПЕРЕДАЧА И КОНЕЧНАЯ ПЕРЕДАЧА

Схема запчастей Komatsu D85EX-15E0 - СИЛОВАЯ ПЕРЕДАЧА (ВСАСЫВ.)(№-) СИЛОВАЯ ПЕРЕДАЧА И КОНЕЧНАЯ ПЕРЕДАЧА
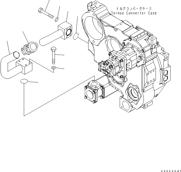
1
2
3
4
5
6
7
8
9
FIT
1:1
100%

Артикул

Название

Примечание

Количество

|$2

154-22-60000

POWER LINE ASS'Y

SN: 11001-UP

1шт.

|$$2

THIS ASSEMBLY CONSISTS OF ALL PARTS SHOWN IN FIGS.F2300-01A0 TO F2300-10A0.

-1шт.

|$4

154-22-60020

POWER LINE ASS'Y,(WITH ENGINE OIL HEATER)

SN: 11001-UP

1шт.

|$$4

THIS ASSEMBLY CONSISTS OF ALL PARTS SHOWN IN FIGS.F2300-01A0 TO F2300-12A1.

-1шт.

1

154-49-75340

TUBE

SN: 11001-UP

1шт.

2

07000-72060

O-RING

SN: 11001-UP

1шт.

3

01011-81200

BOLT

SN: 11001-UP

4шт.

4

01643-31232

WASHER

SN: 11001-UP

4шт.

5

07332-02000

COUPLING

SN: 11001-UP

1шт.

6

154-49-75350

TUBE

SN: 11001-UP

1шт.

7

07000-72060

O-RING

SN: 11001-UP

1шт.

8

01011-81200

BOLT

SN: 11001-UP

4шт.

9

01643-31232

WASHER

SN: 11001-UP

4шт.

Выбрано товаров: 13