Запчасти Komatsu D85EX-15E0 КОРПУС ДЛЯ КОМПРЕССОР LESS (№9-) КОРПУС ДЛЯ КОМПРЕССОР LESS

Схема запчастей Komatsu D85EX-15E0 - КОРПУС ДЛЯ КОМПРЕССОР LESS (№9-) КОРПУС ДЛЯ КОМПРЕССОР LESS
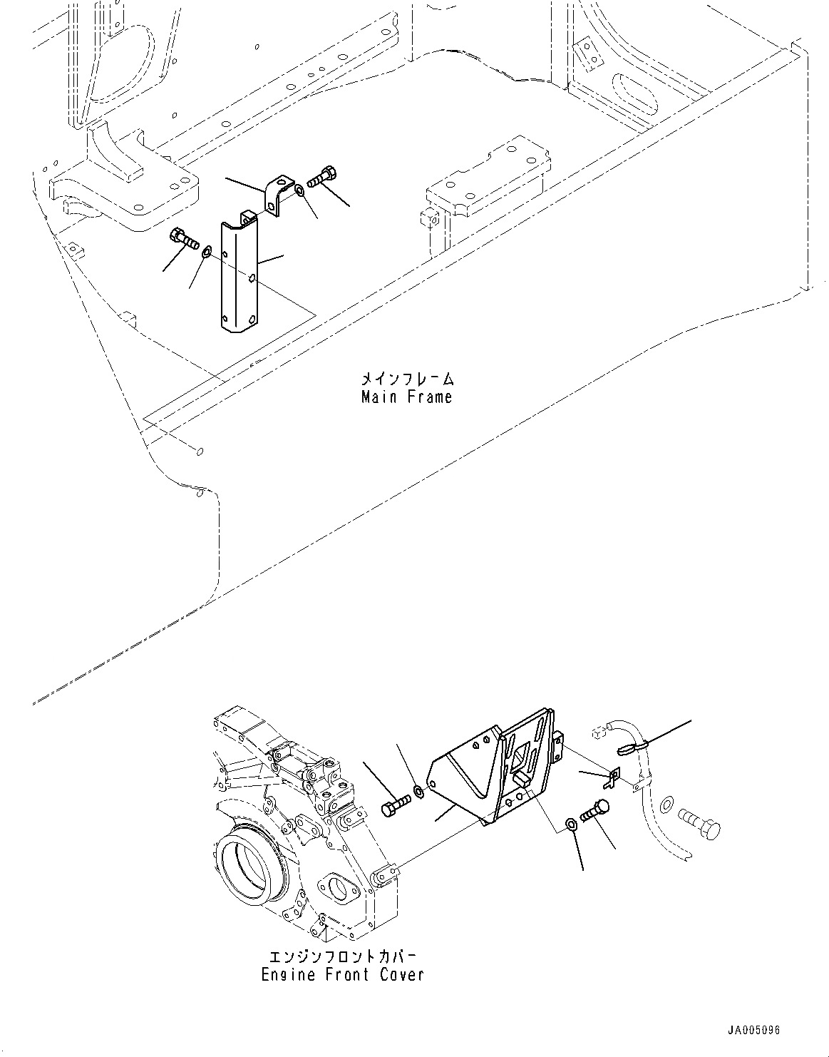
1
2
3
4
5
6
7
8
9
10
11
12
13
FIT
1:1
100%

Артикул

Название

Примечание

Количество

1

154-911-7511

Bracket

SN: 11609-UP

1шт.

2

01010-81030

Bolt

SN: 11609-UP

4шт.

3

01643-31032

Washer

SN: 11609-UP

4шт.

4

01010-81085

Bolt

SN: 11609-UP

1шт.

5

01643-31032

Washer

SN: 11609-UP

1шт.

6

08193-21012

Clip

SN: 11609-UP

1шт.

7

08034-40521

Band

SN: 11609-UP

1шт.

8

17M-49-15260

Bracket

SN: 11609-UP

1шт.

9

01010-81230

Bolt

SN: 11609-UP

1шт.

10

01643-31232

Washer

SN: 11609-UP

1шт.

11

154-911-7181

Bracket

SN: 11609-UP

1шт.

12

01010-81230

Bolt

SN: 11609-UP

2шт.

13

01643-31232

Washer

SN: 11609-UP

2шт.

Выбрано товаров: 13