Запчасти Komatsu D85EX-15E0 ОСНОВН. КОНСТРУКЦИЯ, КЛАПАН PPCТРУБЫ (№9-) ОСНОВН. КОНСТРУКЦИЯ, ДЛЯ МНОГОСТОЕЧН. РЫХЛИТ., ДЛЯ УГОЛЬН. DOZER, ANGLE

Схема запчастей Komatsu D85EX-15E0 - ОСНОВН. КОНСТРУКЦИЯ, КЛАПАН PPCТРУБЫ (№9-) ОСНОВН. КОНСТРУКЦИЯ, ДЛЯ МНОГОСТОЕЧН. РЫХЛИТ., ДЛЯ УГОЛЬН. DOZER, ANGLE
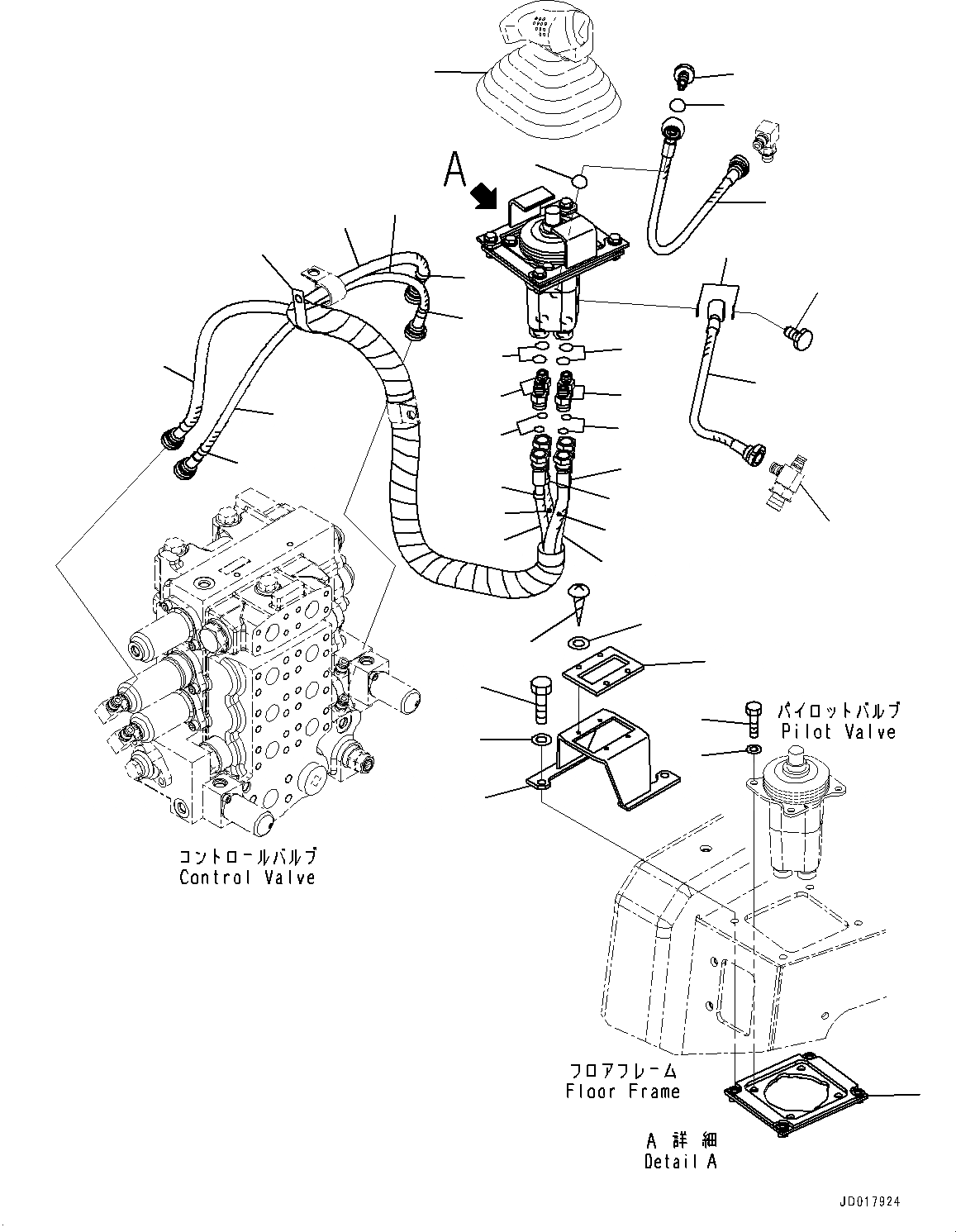
11
17
14
15
11
12
13
10
18
12
12
13
15
14
16
9
8
7
2
1
13
13
16
3
3
1
2
12
26
25
4
5
6
23
22
19
24
21
20
FIT
1:1
100%

Артикул

Название

Примечание

Количество

1

02781-00311

Union

SN: 11609-UP

4шт.

2

07002-11423

O-ring

SN: 11609-UP

4шт.

3

02896-11009

O-ring

SN: 11609-UP

4шт.

4

154-43-72430

Cover

SN: 11609-UP

1шт.

5

01010-80830

Bolt

SN: 11609-UP

4шт.

6

01643-30823

Washer

SN: 11609-UP

4шт.

7

154-61-78441

Hose

SN: 11609-UP

1шт.

8

702-16-53240

Plug

SN: 11609-UP

1шт.

9

07000-12018

O-ring

SN: 11609-UP

2шт.

10

203-62-57730

Bolt, Eye

SN: 11609-UP

1шт.

11

07000-12018

O-ring

SN: 11609-UP

2шт.

11

154-61-71510

Hose Assembly

SN: 11609-UP

1шт.

12

154-61-71520

Hose

SN: 11609-UP

2шт.

13

154-61-71530

Hose

SN: 11609-UP

2шт.

14

20Y-62-22810

Band, Yellow

SN: 11609-UP

2шт.

15

20Y-62-22840

Band, Black

SN: 11609-UP

2шт.

16

20Y-62-22850

Band, Green

SN: 11609-UP

2шт.

17

154-61-78430

Hose

SN: 11609-UP

1шт.

18

04434-53212

Clip

SN: 11609-UP

1шт.

19

154-43-75420

Bracket

SN: 11609-UP

1шт.

20

01010-80830

Bolt

SN: 11609-UP

4шт.

21

01643-30823

Washer

SN: 11609-UP

4шт.

22

17A-78-11630

Plate

SN: 11609-UP

1шт.

23

01370-00512

Screw

SN: 11609-UP

4шт.

24

01641-20508

Washer, Flat

SN: 11609-UP

4шт.

25

11Y-43-11181

Boot

SN: UP

-1шт.

26

17A-61-16271

Tee

SN: UP

-1шт.

Выбрано товаров: 0