Запчасти Komatsu D85EX-15E0 ЛИНИИ МАСЛООХЛАДИТЕЛЯ, BYPASS КЛАПАН (№9-) ЛИНИИ МАСЛООХЛАДИТЕЛЯ, LANDFILL СПЕЦ-ЯIFICATION

Схема запчастей Komatsu D85EX-15E0 - ЛИНИИ МАСЛООХЛАДИТЕЛЯ, BYPASS КЛАПАН (№9-) ЛИНИИ МАСЛООХЛАДИТЕЛЯ, LANDFILL СПЕЦ-ЯIFICATION
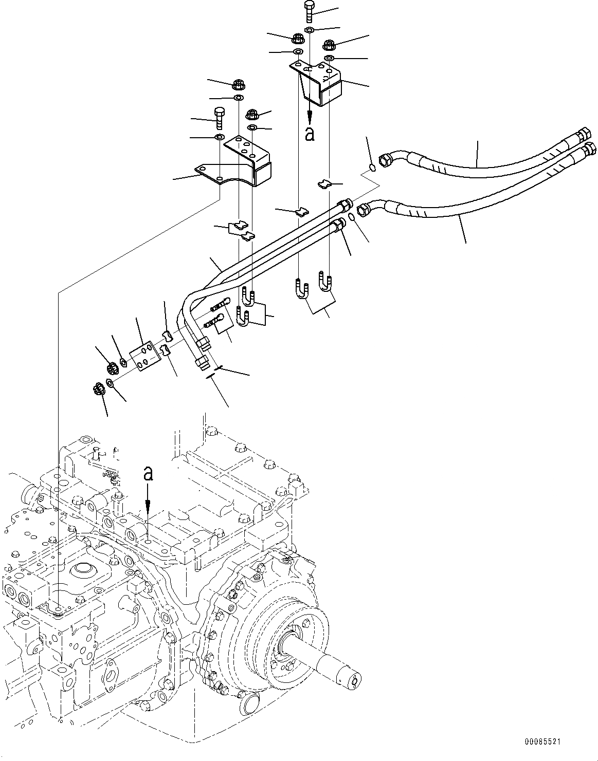
1
4
5
6
7
8
9
10
11
14
15
16
13
12
12
13
11
14
10
10
14
11
11
11
14
12
13
13
12
12
13
3
2
12
13
FIT
1:1
100%

Артикул

Название

Примечание

Количество

1

154-61-79570

Bracket

SN: 11609-UP

1шт.

2

01010-81245

Bolt

SN: 11609-UP

2шт.

3

01643-31232

Washer

SN: 11609-UP

2шт.

4

154-61-79580

Bracket

SN: 11609-UP

1шт.

5

01010-81660

Bolt

SN: 11609-UP

2шт.

6

01643-31645

Washer

SN: 11609-UP

2шт.

7

154-61-79480

Tube

SN: 11609-UP

1шт.

8

154-61-79490

Tube

SN: 11609-UP

1шт.

9

154-61-79610

Plate

SN: 11609-UP

1шт.

10

07283-32236

Clip, Pipe

SN: 11609-UP

6шт.

11

07283-52232

Seat

SN: 11609-UP

6шт.

12

01643-31032

Washer

SN: 11609-UP

12шт.

13

01597-01009

Nut

SN: 11609-UP

12шт.

14

02896-11015

O-ring

SN: 11609-UP

4шт.

15

02766-005A6

Hose, Face Seal Type

SN: 11609-UP

1шт.

16

02766-005A7

Hose, Face Seal Type

SN: 11609-UP

1шт.

Выбрано товаров: 0