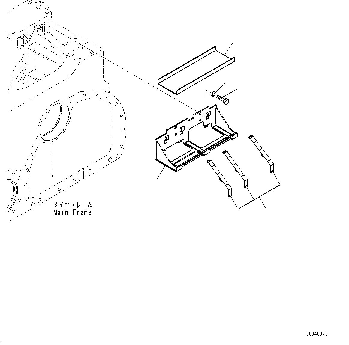
Запчасти Komatsu D85EX-15E0 КРЫЛО КОМПОНЕНТЫ, КОРПУС (/) (№9-) КРЫЛО КОМПОНЕНТЫ, С ЯЩИК Д/ИНСТРУМЕНТА, С ЗАЩИТА ОТ ВАНДАЛИЗМА

Схема запчастей Komatsu D85EX-15E0 - КРЫЛО КОМПОНЕНТЫ, КОРПУС (/) (№9-) КРЫЛО КОМПОНЕНТЫ, С ЯЩИК Д/ИНСТРУМЕНТА, С ЗАЩИТА ОТ ВАНДАЛИЗМА
2
3
4
1
5
FIT
1:1
100%

Артикул

Название

Примечание

Количество

1

154-911-7921

Bracket

SN: 11609-UP

1шт.

2

01010-81230

Bolt

SN: 11609-UP

4шт.

3

01643-31232

Washer

SN: 11609-UP

4шт.

4

154-911-7931

Bracket

SN: 11609-UP

1шт.

5

195-911-6562

Band

SN: 11609-UP

3шт.

Выбрано товаров: 5