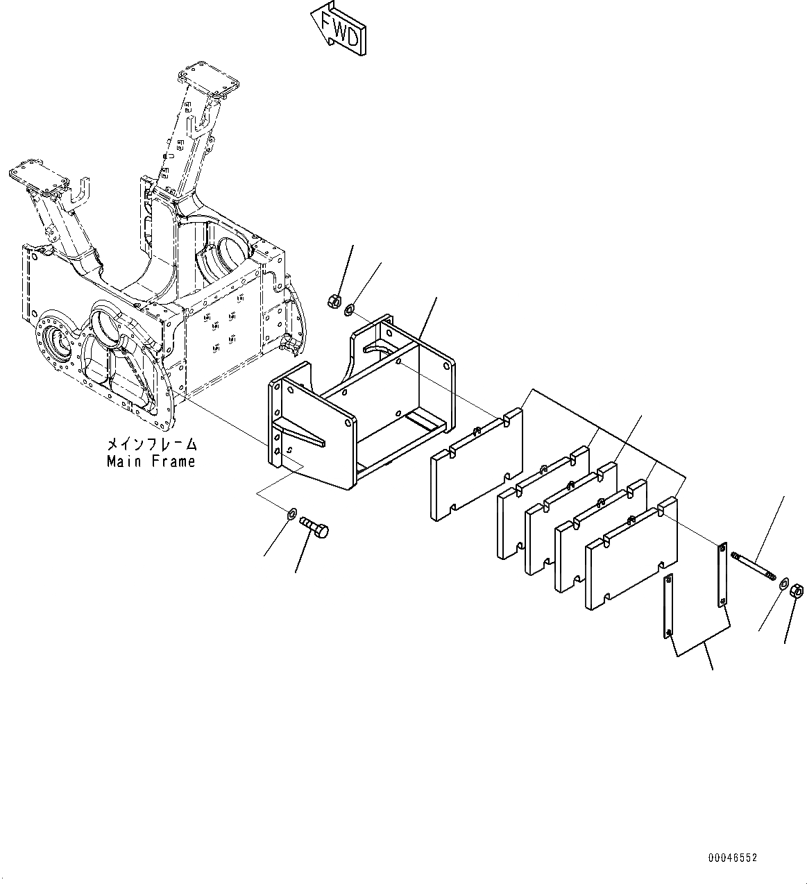
Запчасти Komatsu D85EX-15E0 ПРОТИВОВЕС (№9-) ПРОТИВОВЕС

Схема запчастей Komatsu D85EX-15E0 - ПРОТИВОВЕС (№9-) ПРОТИВОВЕС
1
2
3
4
5
6
7
8
4
6
FIT
1:1
100%

Артикул

Название

Примечание

Количество

1

154-69-73110

Bracket

SN: 11609-UP

1шт.

2

195-69-12121

Weight

SN: 11609-UP

5шт.

3

15A-69-21120

Bolt

SN: 11609-UP

4шт.

4

01580-13024

Nut

SN: 11609-UP

6шт.

5

198-69-11291

Plate

SN: 11609-UP

2шт.

6

01643-33080

Washer

SN: 11609-UP

6шт.

7

01018-33390

Bolt

SN: 11609-UP

10шт.

8

01643-33380

Washer

SN: 11609-UP

10шт.

Выбрано товаров: 8