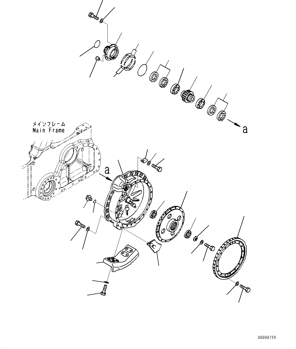
Запчасти Komatsu D85EX-15E0 КОНЕЧНАЯ ПЕРЕДАЧА, FINAL КОРПУС ШЕСТЕРЕНН. ПЕРЕДАЧИ ЛЕВ. (№9-) КОНЕЧНАЯ ПЕРЕДАЧА

Схема запчастей Komatsu D85EX-15E0 - КОНЕЧНАЯ ПЕРЕДАЧА, FINAL КОРПУС ШЕСТЕРЕНН. ПЕРЕДАЧИ ЛЕВ. (№9-) КОНЕЧНАЯ ПЕРЕДАЧА
6
21
8
1
2
4
3
5
7
9
10
23
19
20
21
22
15
17
13
18
16
19
23
27
28
29
30
20
24
26
25
11
12
14
FIT
1:1
100%

Артикул

Название

Примечание

Количество

|$0

154-27-00353

Final Drive

SN: 11609-UP

1шт.

1

154-27-72111

Case,L.H.

SN: 11609-UP

1шт.

2

17A-27-11371

Plate,L.H.

SN: 11609-UP

1шт.

3

01010-81020

Bolt

SN: 11609-UP

2шт.

4

01643-31032

Washer

SN: 11609-UP

2шт.

5

07044-13620

Plug

SN: 11609-UP

1шт.

6

07002-13634

O-ring

SN: 11609-UP

1шт.

7

154-27-71611

Guard,L.H.

SN: 11609-UP

1шт.

8

01010-82055

Bolt

SN: 11609-UP

8шт.

9

01643-32060

Washer

SN: 11609-UP

8шт.

10

154-30-71280

Plate,L.H.

SN: 11609-UP

1шт.

11

01010-82055

Bolt

SN: 11609-UP

2шт.

12

01643-32060

Washer

SN: 11609-UP

2шт.

13

154-27-71410

Cage

SN: 11609-UP

1шт.

14

07049-01215

Plug

SN: 11609-UP

2шт.

15

01010-81235

Bolt

SN: 11609-UP

6шт.

16

01643-31232

Washer

SN: 11609-UP

6шт.

17

07000-15105

O-ring

SN: 11609-UP

1шт.

18

07000-15145

O-ring

SN: 11609-UP

1шт.

19

154-27-00381

Shim Assembly

SN: 11609-UP

1шт.

19

Shim, T=1.0mm

SN: 11609-UP

6шт.

19

Shim, T=0.5mm

SN: 11609-UP

2шт.

19

Shim, L=0.15mm

SN: 11609-UP

18шт.

20

154-09-71210

Seal, Oil

SN: 11609-UP

2шт.

21

154-09-71110

Bearing

SN: 11609-UP

2шт.

22

154-27-71210

Gear

SN: 11609-UP

1шт.

23

154-09-71120

Bearing

SN: 11609-UP

1шт.

24

154-27-72331

Holder

SN: 11609-UP

1шт.

25

01010-81645

Bolt

SN: 11609-UP

1шт.

26

01643-31645

Washer

SN: 11609-UP

1шт.

27

154-27-72231

Hub

SN: 11609-UP

1шт.

28

154-27-72220

Gear

SN: 11609-UP

1шт.

29

01010-81645

Bolt

SN: 11609-UP

16шт.

30

01643-31645

Washer

SN: 11609-UP

16шт.

Выбрано товаров: 0