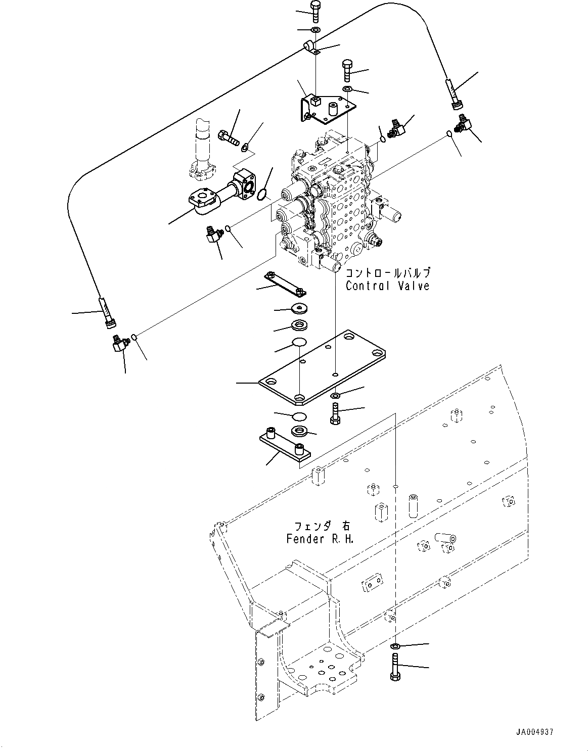
Запчасти Komatsu D85EX-15E0 КРЫЛО, УПРАВЛЯЮЩ. КЛАПАН (9/9) (№9-) КРЫЛО, ДЛЯ TОБОД КОЛЕСАMING DOZER

Схема запчастей Komatsu D85EX-15E0 - КРЫЛО, УПРАВЛЯЮЩ. КЛАПАН (9/9) (№9-) КРЫЛО, ДЛЯ TОБОД КОЛЕСАMING DOZER
3
2
1
19
14
23
17
20
22
16
21
18
15
19
18
6
7
5
4
8
9
8
9
10
12
8
11
8
9
13
9
10
FIT
1:1
100%

Артикул

Название

Примечание

Количество

1

154-61-75870

Bracket

SN: 11609-UP

1шт.

2

01010-80816

Bolt

SN: 11609-UP

2шт.

3

01643-30823

Washer

SN: 11609-UP

2шт.

4

154-61-75261

Tube

SN: 11609-UP

1шт.

5

07000-13035

O-ring

SN: 11609-UP

1шт.

6

01010-81060

Bolt

SN: 11609-UP

4шт.

7

01643-31032

Washer

SN: 11609-UP

4шт.

8

20Y-62-22271

Elbow

SN: 11609-UP

6шт.

9

07002-11423

O-ring

SN: 11609-UP

6шт.

10

154-61-77480

Hose

SN: 11609-UP

1шт.

11

04434-51210

Clip

SN: 11609-UP

1шт.

12

01010-81020

Bolt

SN: 11609-UP

1шт.

13

01643-31032

Washer

SN: 11609-UP

1шт.

14

154-60-72240

Plate

SN: 11609-UP

1шт.

15

01010-81435

Bolt

SN: 11609-UP

3шт.

16

01643-31445

Washer, Flat

SN: 11609-UP

3шт.

17

154-60-72260

Bracket

SN: 11609-UP

2шт.

18

14X-60-12120

Cushion

SN: 11609-UP

8шт.

19

07000-13025

O-ring

SN: 11609-UP

8шт.

20

561-74-61750

Washer

SN: 11609-UP

4шт.

21

01010-81275

Bolt

SN: 11609-UP

4шт.

22

01643-31232

Washer

SN: 11609-UP

4шт.

23

154-60-72250

Bracket

SN: 11609-UP

2шт.

Выбрано товаров: 0