Запчасти Komatsu SAA6D125E-5C ТРУБОПРОВОД ВПУСКА ВОЗДУХА И ПОСЛЕОХЛАДИТЕЛЬ (№7-) ТРУБОПРОВОД ВПУСКА ВОЗДУХА И ПОСЛЕОХЛАДИТЕЛЬ

Схема запчастей Komatsu SAA6D125E-5C - ТРУБОПРОВОД ВПУСКА ВОЗДУХА И ПОСЛЕОХЛАДИТЕЛЬ (№7-) ТРУБОПРОВОД ВПУСКА ВОЗДУХА И ПОСЛЕОХЛАДИТЕЛЬ
1
7
2
3
21
8
9
5
4
6
10
12
13
12
14
11
16
18
17
18
15
19
20
23
22
25
26
24
28
27
1
7
2
3
21
8
9
5
4
6
10
12
13
12
14
11
16
18
17
18
15
19
20
23
22
25
26
24
28
27
FIT
1:1
100%

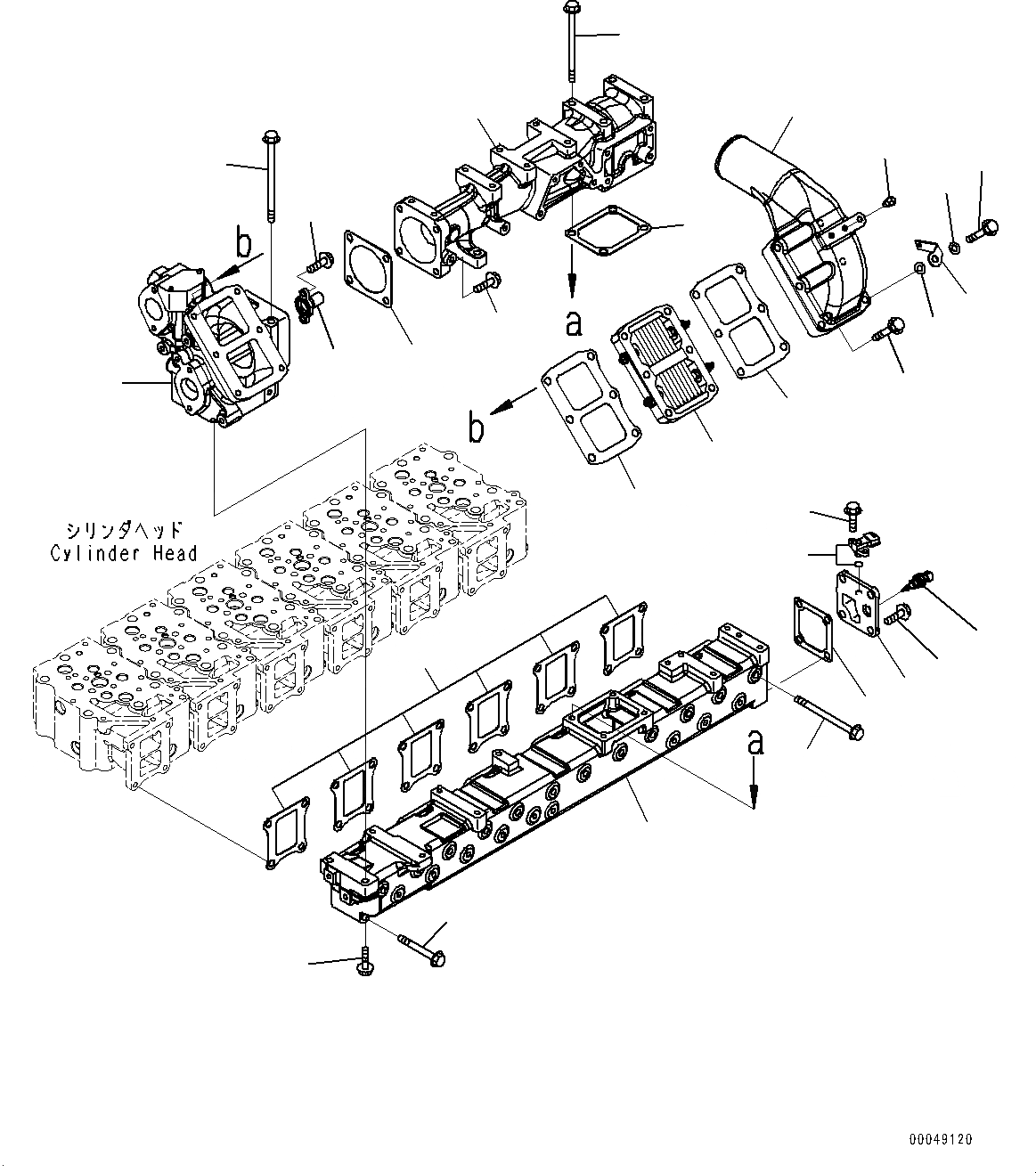
Артикул

Название

Примечание

Количество

1

6251-11-4110

Manifold, Air Intake

SN: 567144-UP

1шт.

2

01436-01030

Bolt

SN: 567144-UP

12шт.

3

01435-01080

Bolt

SN: 567144-UP

12шт.

4

6251-11-4250

Cover

SN: 567144-UP

1шт.

5

6251-11-4260

Gasket

SN: 567144-UP

1шт.

6

01435-01025

Bolt

SN: 567144-UP

2шт.

7

6150-13-4810

Gasket

SN: 567144-UP

6шт.

8

6261-81-2700

Sensor Assembly

SN: 567144-UP

1шт.

8

6261-81-2710

Sensor, Boost

SN: 567144-UP

1шт.

8

6261-81-2720

O-ring

SN: 567144-UP

1шт.

9

01435-00616

Bolt

SN: 567144-UP

2шт.

10

6560-61-7300

Sensor Assembly

SN: 567144-UP

1шт.

10

6560-61-7310

Sensor, Air

SN: 567144-UP

1шт.

10

6735-21-1930

O-ring

SN: 567144-UP

1шт.

11

6251-11-4320

Connector

SN: 567144-UP

1шт.

12

6251-11-4830

Gasket

SN: 567144-UP

2шт.

13

600-815-3812

Heater, Ribbon

SN: 567144-UP

1шт.

14

01435-01070

Bolt

SN: 567144-UP

5шт.

15

01435-01080

Bolt

SN: 567144-UP

1шт.

16

07042-A0108

Plug

SN: 567144-UP

2шт.

17

6251-81-4811

Bracket

SN: 567144-UP

1шт.

18

01643-31032

Washer

SN: 567144-UP

2шт.

19

6251-11-7210

Housing, Junction

SN: 567144-UP

1шт.

20

01436-01060

Bolt

SN: 567144-UP

2шт.

21

01435-01040

Bolt

SN: 567144-UP

2шт.

22

6251-11-9730

Nozzle, Venturi

SN: 567144-UP

1шт.

23

01437-10816

Bolt

SN: 567144-UP

2шт.

24

6251-11-7410

Connector

SN: 567144-UP

1шт.

25

6251-11-7450

Gasket

SN: 567144-UP

1шт.

26

01435-01035

Bolt

SN: 567144-UP

4шт.

27

6251-11-4820

Gasket

SN: 567144-UP

1шт.

28

01436-01045

Bolt

SN: 567144-UP

2шт.

1

6251-11-4110

Manifold, Air Intake

SN: 567144-UP

1шт.

2

01436-01030

Bolt

SN: 567144-UP

12шт.

3

01435-01080

Bolt

SN: 567144-UP

12шт.

4

6251-11-4250

Cover

SN: 567144-UP

1шт.

5

6251-11-4260

Gasket

SN: 567144-UP

1шт.

6

01435-01025

Bolt

SN: 567144-UP

2шт.

7

6150-13-4810

Gasket

SN: 567144-UP

6шт.

8

6261-81-2700

Sensor Assembly

SN: 567144-UP

1шт.

8

6261-81-2710

Sensor, Boost

SN: 567144-UP

1шт.

8

6261-81-2720

O-ring

SN: 567144-UP

1шт.

9

01435-00616

Bolt

SN: 567144-UP

2шт.

10

6560-61-7300

Sensor Assembly

SN: 567144-UP

1шт.

10

6560-61-7310

Sensor, Air

SN: 567144-UP

1шт.

10

6735-21-1930

O-ring

SN: 567144-UP

1шт.

11

6251-11-4320

Connector

SN: 567144-UP

1шт.

12

6251-11-4830

Gasket

SN: 567144-UP

2шт.

13

600-815-3812

Heater, Ribbon

SN: 567144-UP

1шт.

14

01435-01070

Bolt

SN: 567144-UP

5шт.

15

01435-01080

Bolt

SN: 567144-UP

1шт.

16

07042-A0108

Plug

SN: 567144-UP

2шт.

17

6251-81-4811

Bracket

SN: 567144-UP

1шт.

18

01643-31032

Washer

SN: 567144-UP

2шт.

19

6251-11-7210

Housing, Junction

SN: 567144-UP

1шт.

20

01436-01060

Bolt

SN: 567144-UP

2шт.

21

01435-01040

Bolt

SN: 567144-UP

2шт.

22

6251-11-9730

Nozzle, Venturi

SN: 567144-UP

1шт.

23

01437-10816

Bolt

SN: 567144-UP

2шт.

24

6251-11-7410

Connector

SN: 567144-UP

1шт.

25

6251-11-7450

Gasket

SN: 567144-UP

1шт.

26

01435-01035

Bolt

SN: 567144-UP

4шт.

27

6251-11-4820

Gasket

SN: 567144-UP

1шт.

28

01436-01045

Bolt

SN: 567144-UP

2шт.

Выбрано товаров: 64