Запчасти Komatsu SAA6D125E-5C ПОДДОН ДВИГ-ЛЯ (№7-) ПОДДОН ДВИГ-ЛЯ

Схема запчастей Komatsu SAA6D125E-5C - ПОДДОН ДВИГ-ЛЯ (№7-) ПОДДОН ДВИГ-ЛЯ
15
14
13
17
18
20
16
5
24
8
4
29
30
28
27
26
25
10
12
11
7
23
21
6
6
5
22
3
1
9
31
2
19
15
14
13
17
18
20
16
5
24
8
4
29
30
28
27
26
25
10
12
11
7
23
21
6
6
5
22
3
1
9
31
2
19
FIT
1:1
100%

Артикул

Название

Примечание

Количество

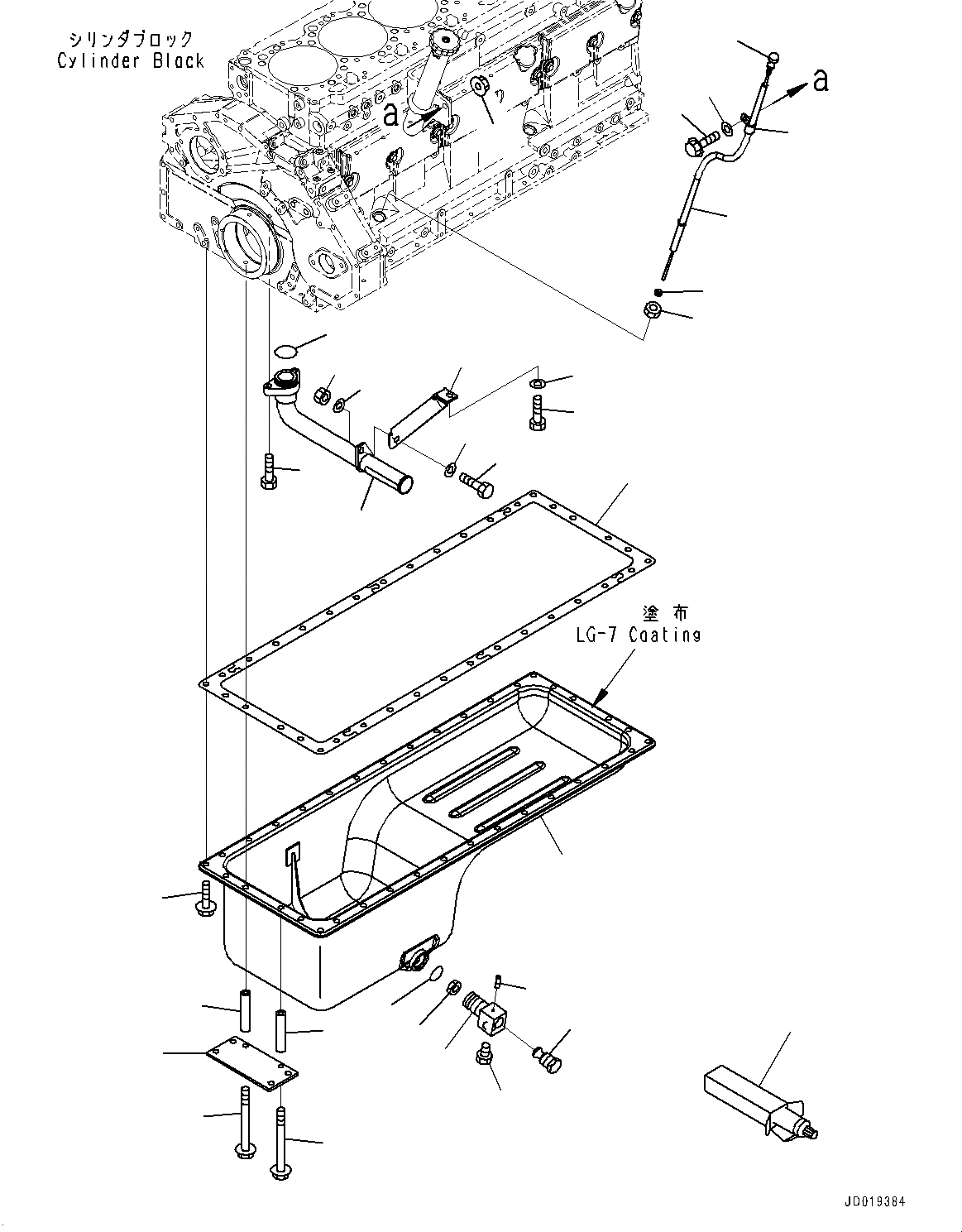
1

6150-21-5530

Oil Pan

SN: 567144-UP

1шт.

2

6150-21-5813

Gasket

SN: 567144-UP

1шт.

3

01435-01025

Bolt

SN: 567144-UP

34шт.

4

6151-62-6320

Plate

SN: 567144-UP

1шт.

5

154-01-72170

Collar

SN: 567144-UP

2шт.

6

01436-01010

Bolt

SN: 567144-UP

2шт.

|$6

6156-21-5600

Valve Assembly

SN: 567144-UP

1шт.

7

6156-21-5610

Body, Valve

SN: 567144-UP

1шт.

8

6693-22-5620

Valve

SN: 567144-UP

1шт.

9

07040-02412

Plug

SN: 567144-UP

1шт.

10

6156-21-5620

Pin

SN: 567144-UP

1шт.

11

01583-13621

Nut

SN: 567144-UP

1шт.

12

07002-23634

O-ring

SN: 567144-UP

1шт.

13

6251-21-5310

Gauge, Oil Level

SN: 567144-UP

1шт.

14

6251-21-5540

Guide, Oil Gauge

SN: 567144-UP

1шт.

15

6150-21-5920

Collar

SN: 567144-UP

1шт.

16

6150-21-5930

Nut

SN: 567144-UP

1шт.

17

600-051-6120

Clip

SN: 567144-UP

1шт.

18

01435-01030

Bolt

SN: 567144-UP

1шт.

19

01584-01008

Nut

SN: 567144-UP

1шт.

20

01643-31032

Washer

SN: 567144-UP

1шт.

21

6150-51-6330

Strainer

SN: 567144-UP

1шт.

22

07000-73045

O-ring

SN: 567144-UP

1шт.

23

01010-81035

Bolt

SN: 567144-UP

2шт.

24

6150-51-6340

Bracket

SN: 567144-UP

1шт.

25

01010-81020

Bolt

SN: 567144-UP

1шт.

26

01643-31032

Washer

SN: 567144-UP

1шт.

27

01010-81030

Bolt

SN: 567144-UP

1шт.

28

01643-31032

Washer

SN: 567144-UP

1шт.

29

01580-01008

Nut

SN: 567144-UP

1шт.

30

01643-31032

Washer

SN: 567144-UP

1шт.

31

09920-00150

Liquid gasket, LG-7, 150G

SN: 567144-UP

-2шт.

1

6150-21-5530

Oil Pan

SN: 567144-UP

1шт.

2

6150-21-5813

Gasket

SN: 567144-UP

1шт.

3

01435-01025

Bolt

SN: 567144-UP

34шт.

4

6151-62-6320

Plate

SN: 567144-UP

1шт.

5

154-01-72170

Collar

SN: 567144-UP

2шт.

6

01436-01010

Bolt

SN: 567144-UP

2шт.

|$6

6156-21-5600

Valve Assembly

SN: 567144-UP

1шт.

7

6156-21-5610

Body, Valve

SN: 567144-UP

1шт.

8

6693-22-5620

Valve

SN: 567144-UP

1шт.

9

07040-02412

Plug

SN: 567144-UP

1шт.

10

6156-21-5620

Pin

SN: 567144-UP

1шт.

11

01583-13621

Nut

SN: 567144-UP

1шт.

12

07002-23634

O-ring

SN: 567144-UP

1шт.

13

6251-21-5310

Gauge, Oil Level

SN: 567144-UP

1шт.

14

6251-21-5540

Guide, Oil Gauge

SN: 567144-UP

1шт.

15

6150-21-5920

Collar

SN: 567144-UP

1шт.

16

6150-21-5930

Nut

SN: 567144-UP

1шт.

17

600-051-6120

Clip

SN: 567144-UP

1шт.

18

01435-01030

Bolt

SN: 567144-UP

1шт.

19

01584-01008

Nut

SN: 567144-UP

1шт.

20

01643-31032

Washer

SN: 567144-UP

1шт.

21

6150-51-6330

Strainer

SN: 567144-UP

1шт.

22

07000-73045

O-ring

SN: 567144-UP

1шт.

23

01010-81035

Bolt

SN: 567144-UP

2шт.

24

6150-51-6340

Bracket

SN: 567144-UP

1шт.

25

01010-81020

Bolt

SN: 567144-UP

1шт.

26

01643-31032

Washer

SN: 567144-UP

1шт.

27

01010-81030

Bolt

SN: 567144-UP

1шт.

28

01643-31032

Washer

SN: 567144-UP

1шт.

29

01580-01008

Nut

SN: 567144-UP

1шт.

30

01643-31032

Washer

SN: 567144-UP

1шт.

31

09920-00150

Liquid gasket, LG-7, 150G

SN: 567144-UP

-2шт.

Выбрано товаров: 64