Запчасти Komatsu D85EX-15R РЫХЛИТЕЛЬ ЛИНИЯ (ДЛЯ РЕГУЛИР. МНОГОСТОЕЧН. РЫХЛИТ.)(№-) ГИДРАВЛИКА

Схема запчастей Komatsu D85EX-15R - РЫХЛИТЕЛЬ ЛИНИЯ (ДЛЯ РЕГУЛИР. МНОГОСТОЕЧН. РЫХЛИТ.)(№-) ГИДРАВЛИКА
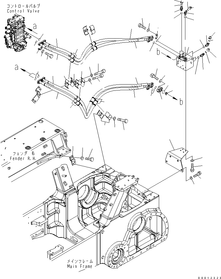
1
2
3
4
5
5
6
6
7
8
9
10
11
12
13
14
15
16
17
18
19
20
21
21
21
21
22
22
23
23
24
24
25
25
26
26
27
28
29
30
31
32
33
34
35
36
37
38
38
38
38
39
39
39
39
40
40
40
40
41
41
41
41
FIT
1:1
100%

Артикул

Название

Примечание

Количество

1

07371-31049

FLANGE

SN: 20001-UP

8шт.

2

07372-21035

BOLT

SN: 20001-UP

16шт.

3

01643-51032

WASHER

SN: 20001-UP

16шт.

4

154-61-71180

BRACKET

SN: 20001-UP

1шт.

5

07094-31024

CLAMP

SN: 20001-UP

2шт.

6

07095-01035

CUSHION

SN: 20001-UP

4шт.

7

01010-81285

BOLT

SN: 20001-UP

2шт.

8

01643-31232

WASHER

SN: 20001-UP

2шт.

9

01010-81295

BOLT

SN: 20001-UP

2шт.

10

01643-31232

WASHER

SN: 20001-UP

2шт.

11

154-61-71190

BRACKET

SN: 20001-UP

1шт.

12

01010-81230

BOLT

SN: 20001-UP

2шт.

13

01643-31232

WASHER

SN: 20001-UP

2шт.

14

07094-31024

CLAMP

SN: 20001-UP

2шт.

15

07095-01035

CUSHION

SN: 20001-UP

2шт.

16

01010-81285

BOLT

SN: 20001-UP

2шт.

17

01643-31232

WASHER

SN: 20001-UP

2шт.

18

154-78-72211

BRACKET

SN: 20001-UP

1шт.

19

01010-82040

BOLT

SN: 20001-UP

4шт.

20

01643-32060

WASHER

SN: 20001-UP

4шт.

21

154-61-77730

HOSE

SN: 20001-UP

2шт.

22

07000-13032

O-RING

SN: 20001-UP

4шт.

23

154-61-77720

HOSE

SN: 20001-UP

1шт.

24

07000-13032

O-RING

SN: 20001-UP

2шт.

25

154-61-77710

HOSE

SN: 20001-UP

1шт.

26

07000-13032

O-RING

SN: 20001-UP

2шт.

27

07371-31049

FLANGE

SN: 20001-UP

8шт.

28

07372-21035

BOLT

SN: 20001-UP

16шт.

29

01643-51032

WASHER

SN: 20001-UP

16шт.

30

154-78-75210

BLOCK

SN: 20001-UP

1шт.

31

01010-81230

BOLT

SN: 20001-UP

4шт.

32

01643-31232

WASHER

SN: 20001-UP

4шт.

33

17A-78-12160

VALVE

SN: 20001-UP

1шт.

34

17A-78-12120

FLANGE

SN: 20001-UP

1шт.

35

07000-13045

O-RING

SN: 20001-UP

1шт.

36

01252-71035

BOLT

SN: 20001-UP

4шт.

37

01643-51032

WASHER

SN: 20001-UP

4шт.

38

02783-10522

ELBOW

SN: 20001-UP

8шт.

39

07002-12434

O-RING

SN: 20001-UP

8шт.

40

02896-11015

O-RING

SN: 20001-UP

8шт.

41

02789-10522

PLUG

SN: 20001-UP

8шт.

Выбрано товаров: 41