Качественные детали и логистика
Оригинальные и аналоговые запчасти с доставкой по России, Казахстану и Беларуси
©2022 PartSell ООО "Система" ИНН 2463123282 ОГРН 1212400004838
Центральный офис: г. Красноярск, Академика Киренского, д.87, пом.4
Телефон: 8 (800) 777-65-74 Email: zakaz@partsell.ru
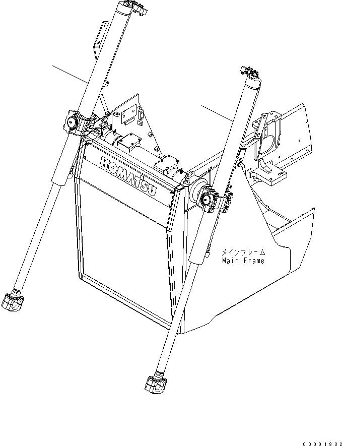
ЦИЛИНДР ПОДЪЕМА ОТВАЛА(№-)
№
Артикул
Название
Примечание
Количество
1
707-02-X7860
CYLINDER GROUP,L.H.
SN: 20001-UP
1шт.
2
707-02-X7870
CYLINDER GROUP,R.H.
Выбрано товаров: 0