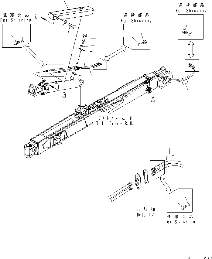
Запчасти Komatsu D85EX-15R НАКЛОН. ТРУБЫ(№-) РАБОЧЕЕ ОБОРУДОВАНИЕ

Схема запчастей Komatsu D85EX-15R - НАКЛОН. ТРУБЫ(№-) РАБОЧЕЕ ОБОРУДОВАНИЕ
1
1
2
2
3
3
4
5
6
6
7
8
9
10
10
11
11
12
13
14
FIT
1:1
100%

Артикул

Название

Примечание

Количество

1

154-71-71811

HOSE

SN: 20001-UP

2шт.

2

07376-70422

PLUG

SN: 20001-UP

2шт.

3

02896-11012

O-RING

SN: 20001-UP

2шт.

4

02765-00411

HOSE

SN: 20001-UP

1шт.

5

02765-00414

HOSE

SN: 20001-UP

1шт.

6

07094-30417

CLAMP

SN: 20001-UP

2шт.

7

07095-00419

CUSHION

SN: 20001-UP

2шт.

8

01010-81265

BOLT

SN: 20001-UP

1шт.

9

01643-31232

WASHER

SN: 20001-UP

1шт.

10

07376-70422

PLUG

SN: 20001-UP

4шт.

11

02896-11012

O-RING

SN: 20001-UP

4шт.

12

154-71-71720

COVER

SN: 20001-UP

1шт.

13

01010-81635

BOLT

SN: 20001-UP

3шт.

14

01643-31645

WASHER

SN: 20001-UP

3шт.

Выбрано товаров: 14