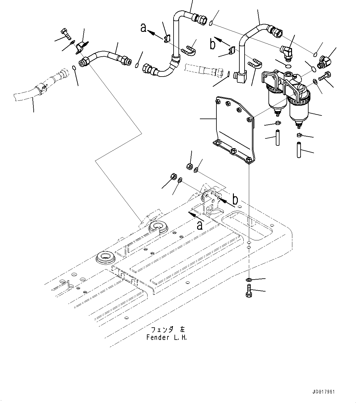
Запчасти Komatsu D85EX-15R КРЫЛО, ВОДООТДЕЛИТЕЛЬ (№-) КРЫЛО, С СТАНДАРТН. BATTERIES, ДЛЯ МНОГОСТОЕЧН. РЫХЛИТ., С КАБИНОЙ

Схема запчастей Komatsu D85EX-15R - КРЫЛО, ВОДООТДЕЛИТЕЛЬ (№-) КРЫЛО, С СТАНДАРТН. BATTERIES, ДЛЯ МНОГОСТОЕЧН. РЫХЛИТ., С КАБИНОЙ
15
11
16
15
13
14
20
19
16
23
22
20
21
12
24
8
1
11
9
10
9
10
7
6
8
7
5
4
18
17
18
17
2
3
FIT
1:1
100%

Артикул

Название

Примечание

Количество

1

154-04-75511

Bracket

SN: 20003-UP

1шт.

2

01010-81235

Bolt

SN: 20003-UP

3шт.

3

01643-31232

Washer

SN: 20003-UP

3шт.

4

600-311-9340

Water Separator

SN: 20003-UP

1шт.

5

01010-81030

Bolt

SN: 20003-UP

4шт.

6

01643-31032

Washer

SN: 20003-UP

4шт.

7

07270-20809

Tube

SN: 20003-UP

2шт.

8

07285-00125

Clip

SN: 20003-UP

2шт.

9

02782-10516

Elbow

SN: 20003-UP

2шт.

10

07002-12034

O-ring

SN: 20003-UP

2шт.

11

02896-11015

O-ring

SN: 20003-UP

2шт.

12

154-04-75642

Tube

SN: 20004-UP

1шт.

12

154-04-75641

Tube

SN: 20003-20003

1шт.

13

02896-11015

O-ring

SN: 20003-UP

1шт.

14

154-04-75632

Tube

SN: 20004-UP

1шт.

14

154-04-75631

Tube

SN: 20003-20003

1шт.

15

07283-32236

Clip, Pipe

SN: 20003-UP

2шт.

16

07283-52232

Seat

SN: 20003-UP

2шт.

17

01643-31032

Washer

SN: 20003-UP

4шт.

18

01597-01009

Nut

SN: 20003-UP

4шт.

19

154-04-75622

Tube

SN: 20004-UP

1шт.

19

154-04-75621

Tube

SN: 20003-20003

1шт.

20

02896-11015

O-ring

SN: 20003-UP

1шт.

21

07282-12288

Clamp, Pipe

SN: 20003-UP

1шт.

22

01010-81220

Bolt

SN: 20003-UP

2шт.

23

01643-31232

Washer

SN: 20003-UP

2шт.

24

02762-00536

Hose, Face Seal Type

SN: UP

-1шт.

Выбрано товаров: 27