Запчасти Komatsu D85EX-15R СИЛОВАЯ ПЕРЕДАЧА, ПРОДУВОЧН. НАСОС (№-) СИЛОВАЯ ПЕРЕДАЧА, ДЛЯ ДВИГАТЕЛЬ С ПОДОГРЕВАТЕЛЬ ХЛАДАГЕНТА

Схема запчастей Komatsu D85EX-15R - СИЛОВАЯ ПЕРЕДАЧА, ПРОДУВОЧН. НАСОС (№-) СИЛОВАЯ ПЕРЕДАЧА, ДЛЯ ДВИГАТЕЛЬ С ПОДОГРЕВАТЕЛЬ ХЛАДАГЕНТА
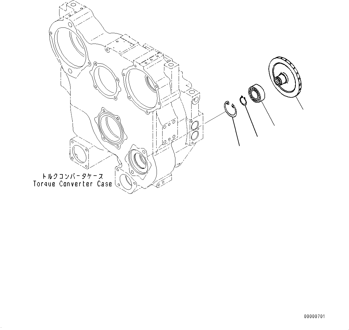
1
2
3
4
FIT
1:1
100%

Артикул

Название

Примечание

Количество

|$0

154-22-60020

Power Train Assembly

SN: 20003-UP

1шт.

|$1

154-13-61001

Torque Converter Assembly

SN: 20003-UP

1шт.

1

154-13-64110

Gear

SN: 20003-UP

1шт.

2

06030-05209

Bearing

SN: 20003-UP

1шт.

3

04065-08530

Ring, Snap

SN: 20003-UP

1шт.

4

04064-04518

Ring, Snap

SN: 20003-UP

1шт.

Выбрано товаров: 6