Запчасти Komatsu D85EX-15R СИЛОВАЯ ПЕРЕДАЧА, РУЛЕВ. УПРАВЛЕНИЕ КОРПУС (№-) СИЛОВАЯ ПЕРЕДАЧА, ДЛЯ ДВИГАТЕЛЬ С ПОДОГРЕВАТЕЛЬ ХЛАДАГЕНТА

Схема запчастей Komatsu D85EX-15R - СИЛОВАЯ ПЕРЕДАЧА, РУЛЕВ. УПРАВЛЕНИЕ КОРПУС (№-) СИЛОВАЯ ПЕРЕДАЧА, ДЛЯ ДВИГАТЕЛЬ С ПОДОГРЕВАТЕЛЬ ХЛАДАГЕНТА
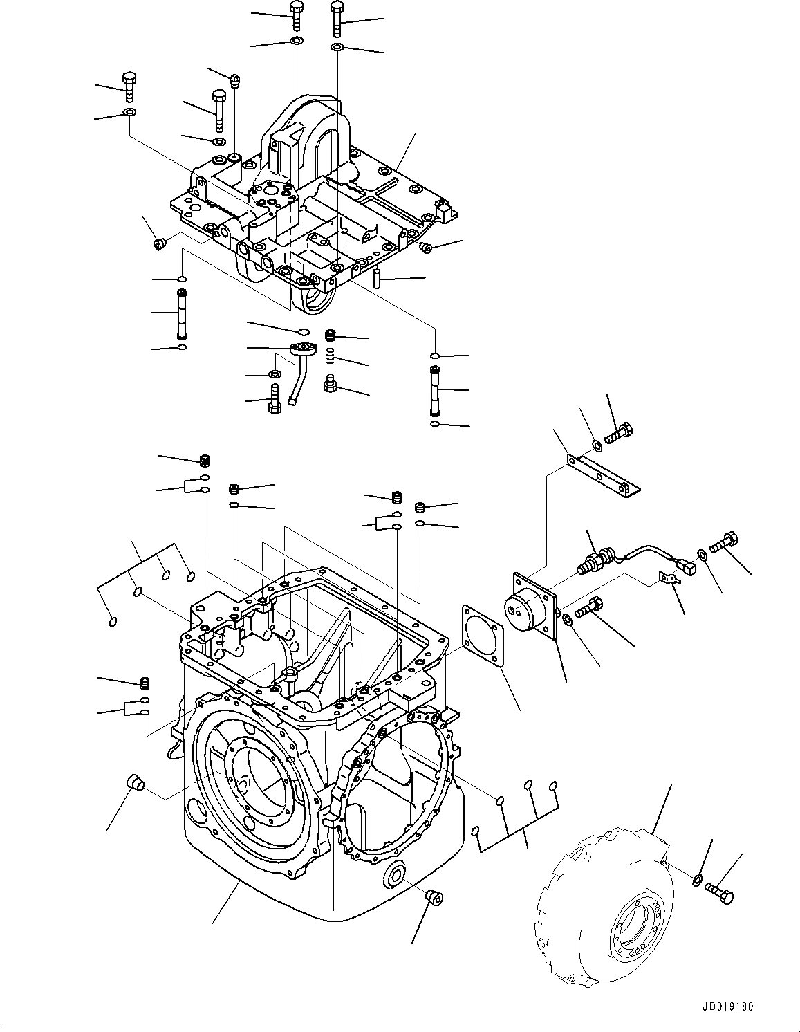
27
26
25
24
23
22
21
20
18
17
16
15
14
13
12
11
10
9
7
6
5
4
3
18
18
6
7
18
17
19
20
28
29
30
31
32
33
34
35
36
15
15
16
19
20
20
18
17
8
8
21
1
2
2
37
FIT
1:1
100%

Артикул

Название

Примечание

Количество

|$0

154-22-60020

Power Train Assembly

SN: 20003-UP

1шт.

|$1

154-22-61020

Steering Assembly

SN: 20003-UP

1шт.

1

154-22-25210

Case

SN: 20003-UP

1шт.

2

02720-11616

Plug, Tapered

SN: 20003-UP

1шт.

3

154-22-25130

Cover

SN: 20003-UP

1шт.

4

154-22-25160

Cover

SN: 20003-UP

1шт.

5

154-22-25170

Gasket

SN: 20003-UP

1шт.

6

01010-81230

Bolt

SN: 20003-UP

4шт.

7

01643-31232

Washer

SN: 20003-UP

4шт.

8

07000-73022

O-ring

SN: 20003-UP

8шт.

9

01010-81255

Bolt

SN: 20003-UP

32шт.

10

01643-31232

Washer

SN: 20003-UP

32шт.

11

04020-01434

Pin, Dowel

SN: 20003-UP

2шт.

12

01010-61645

Bolt

SN: 20003-UP

15шт.

13

01010-61670

Bolt

SN: 20003-UP

3шт.

14

01011-61615

Bolt

SN: 20003-UP

1шт.

15

01643-31645

Washer

SN: 20003-UP

19шт.

16

134-22-66140

Sleeve

SN: 20003-UP

4шт.

17

14X-22-16170

Sleeve

SN: 20003-UP

5шт.

18

07000-72018

O-ring

SN: 20003-UP

14шт.

19

14Y-22-26180

Tube

SN: 20003-UP

2шт.

20

07000-72018

O-ring

SN: 20003-UP

4шт.

21

07043-70312

Plug

SN: 20003-UP

19шт.

22

07042-80108

Plug

SN: 20003-UP

1шт.

23

23A-15-15490

Valve

SN: 20003-UP

1шт.

24

702-16-52420

Spring

SN: 20003-UP

1шт.

25

07040-12012

Plug

SN: 20003-UP

1шт.

26

14Y-22-26240

Tube

SN: 20003-UP

1шт.

27

07000-73022

O-ring

SN: 20003-UP

1шт.

28

01010-81035

Bolt

SN: 20003-UP

2шт.

29

01643-31032

Washer

SN: 20003-UP

2шт.

30

01010-81025

Bolt

SN: 20003-UP

2шт.

31

01643-31032

Washer

SN: 20003-UP

2шт.

32

7861-93-2330

Sensor, Magnetic Pick-Up,Engine Speed

SN: 20003-UP

1шт.

33

08193-20012

Clip

SN: 20003-UP

1шт.

34

01010-81220

Bolt

SN: 20003-UP

1шт.

35

01643-31232

Washer

SN: 20003-UP

1шт.

36

154-22-25190

Bracket

SN: 20003-UP

1шт.

37

14Y-22-55120

Cover

SN: UP

-1шт.

Выбрано товаров: 39