Запчасти Komatsu D85EX-15R ГИДР. НАСОС. ТРУБЫ (№-) ГИДР. НАСОС. ТРУБЫ

Схема запчастей Komatsu D85EX-15R - ГИДР. НАСОС. ТРУБЫ (№-) ГИДР. НАСОС. ТРУБЫ
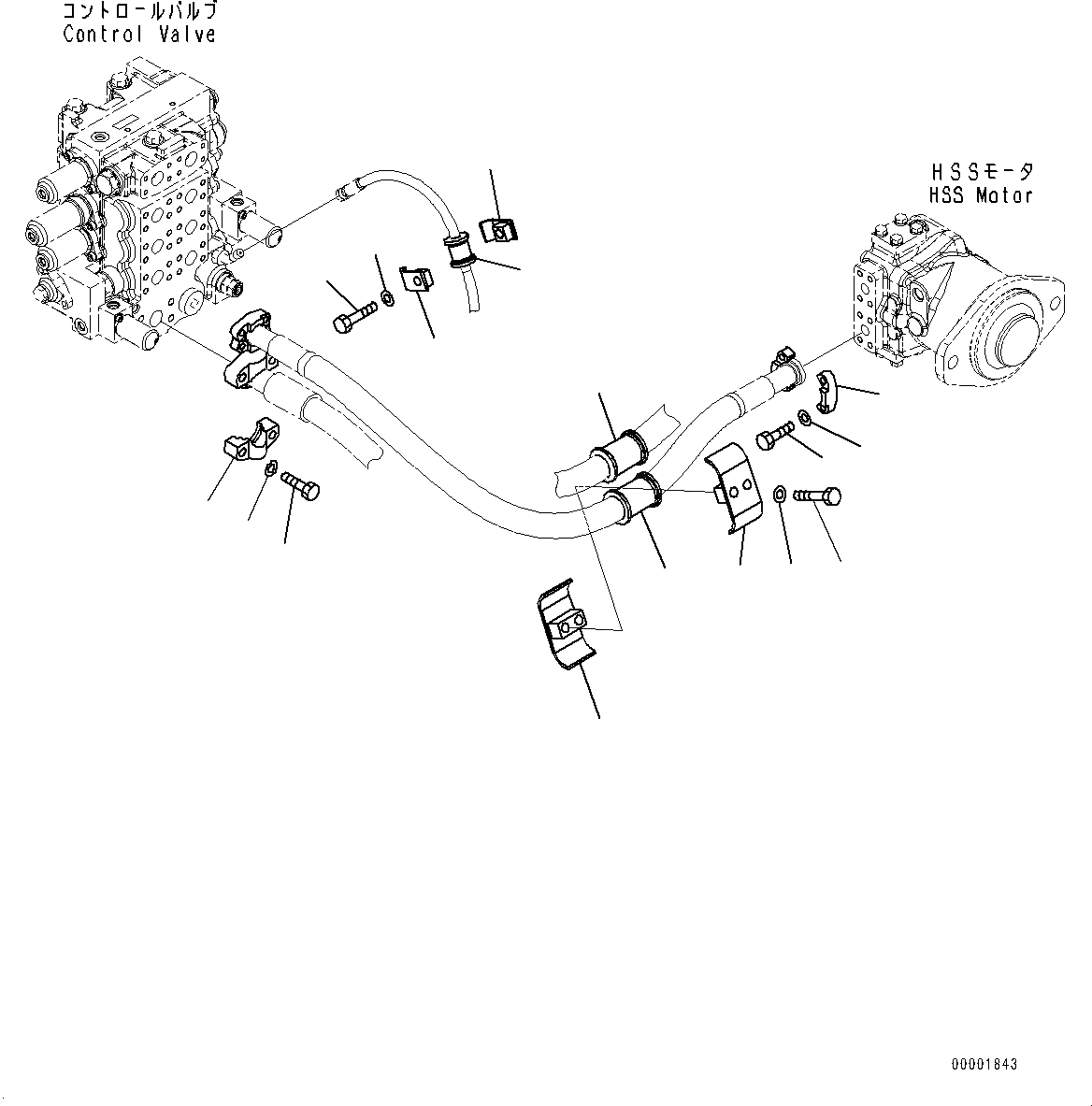
14
13
12
11
10
9
8
7
6
5
4
3
2
1
7
8
11
FIT
1:1
100%

Артикул

Название

Примечание

Количество

1

07371-51260

Flange, Split

SN: 20003-UP

2шт.

2

01010-81245

Bolt

SN: 20003-UP

4шт.

3

01643-31232

Washer

SN: 20003-UP

4шт.

4

07371-31049

Flange, Split

SN: 20003-UP

4шт.

5

07372-21035

Bolt

SN: 20003-UP

8шт.

6

01643-51032

Washer

SN: 20003-UP

8шт.

7

07094-31024

Clamp

SN: 20003-UP

2шт.

8

07095-01038

Cushion

SN: 20003-UP

2шт.

9

01010-81285

Bolt

SN: 20003-UP

2шт.

10

01643-31232

Washer

SN: 20003-UP

2шт.

11

07094-10315

Clamp

SN: 20003-UP

2шт.

12

07095-00314

Cushion

SN: 20003-UP

1шт.

13

01010-81265

Bolt

SN: 20003-UP

1шт.

14

01643-31232

Washer

SN: 20003-UP

1шт.

Выбрано товаров: 14